Overview
Product Details
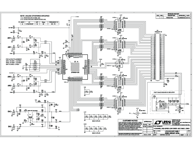
DC1975A: Demo Board for the LTC2270 16-Bit, 20Msps Low Noise Dual ADC.
Applicable Parts
Documentation & Resources
-
DC1975A - Schematic5/17/2013PDF80K
-
DC1975A - Demo Manual11/5/2014PDF2M
-
DC1975A - Design Files5/17/2013ZIP1M
