LTC2267-12

PRODUCTION

12-Bit, 105Msps Low Power Dual ADCs

Viewing:

Overview

  • 2-Channel Simultaneous Sampling ADC
  • 70.6dB SNR
  • 88dB SFDR
  • Low Power: 292mW/238mW/200mW Total, 146mW/119mW/100mW per Channel
  • Single 1.8V Supply
  • Serial LVDS Outputs: 1 or 2 Bits per Channel
  • Selectable Input Ranges: 1VP-P to 2VP-P
  • 800MHz Full Power Bandwidth S/H
  • Shutdown and Nap Modes
  • Serial SPI Port for Configuration
  • Pin Compatible 14-Bit and 12-Bit Versions
  • 40-Pin (6mm × 6mm) QFN Package

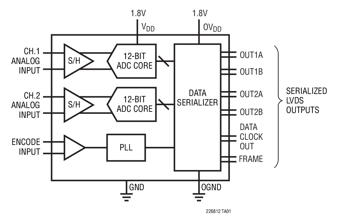
The LTC2268-12/LTC2267-12/LTC2266-12 are 2-channel, simultaneous sampling 12-bit A/D converters designed for digitizing high frequency, wide dynamic range signals. They are perfect for demanding communications applications with AC performance that includes 70.6dB SNR and 88dB spurious free dynamic range (SFDR). Ultralow jitter of 0.15psRMS allows undersampling of IF frequencies with excellent noise performance.

DC specs include ±0.3LSB INL (typ), ±0.1LSB DNL (typ) and no missing codes over temperature. The transition noise is a low 0.3LSBRMS.

The digital outputs are serial LVDS to minimize the number of data lines. Each channel outputs two bits at a time (2-lane mode). At lower sampling rates there is a one bit per channel option (1-lane mode). The LVDS drivers have optional internal termination and adjustable output levels to ensure clean signal integrity.

The ENC+ and ENC inputs may be driven differentially or single-ended with a sine wave, PECL, LVDS, TTL, or CMOS inputs. An internal clock duty cycle stabilizer allows high performance at full speed for a wide range of clock duty cycles.

Bits
LTC2267-12 12
LTC2267-14 14

Applications

  • Communications
  • Cellular Base Stations
  • Software Defined Radios
  • Portable Medical Imaging
  • Multichannel Data Acquisition
  • Nondestructive Testing

LTC2267-12
12-Bit, 105Msps Low Power Dual ADCs
LTC2268-12, 125Msps,  2-Tone FFT, fIN = 70MHz and 75MHz Product Package 1
Add to myAnalog

Add product to the Products section of myAnalog (to receive notifications), to an existing project or to a new project.

Create New Project
Ask a Question

Documentation

Data Sheet

This is the most up-to-date revision of the Data Sheet.

Learn More
Add to myAnalog

Add media to the Resources section of myAnalog, to an existing project or to a new project.

Create New Project

Software Resources

Can't find the software or driver you need?

Request a Driver/Software

Hardware Ecosystem

Parts Product Life Cycle Description
Differential Amplifiers 1
LTC6404 LAST TIME BUY 600MHz, Low Noise, High Precision Fully Differential Input/Output Amplifier/Driver
Phase-Locked Loop (PLL) Synthesizers 1
LTC6946 LAST TIME BUY Ultralow Noise and Spurious 0.37GHz to 6.39GHz Integer-N Synthesizer with Integrated VCO
Modal heading
Add to myAnalog

Add product to the Products section of myAnalog (to receive notifications), to an existing project or to a new project.

Create New Project

Tools & Simulations


Evaluation Kits

eval board
DC1532A-H

LTC2267-12 | 12-Bit, 105Msps, 1.8V Dual Serial ADC, 5MHz < AIN < 170MHz, Requires DC1371 and DC1075

Product Details

DC1532A-H: Demo Board for the LTC2267-12 12-Bit, 105Msps Low Power Dual ADCs.

DC1532A-H
LTC2267-12 | 12-Bit, 105Msps, 1.8V Dual Serial ADC, 5MHz < AIN < 170MHz, Requires DC1371 and DC1075
DC1532A-A - Schematic

Latest Discussions

No discussions on LTC2267-12 yet. Have something to say?

Start a Discussion on EngineerZone®

Recently Viewed