LTC2188

PRODUCTION

16-Bit, 20Msps Low Power Dual ADC

Viewing:

Overview

  • Two-Channel Simultaneously Sampling ADC
  • 77dB SNR
  • 90dB SFDR
  • Low Power: 76mW Total, 38mW per Channel
  • Single 1.8V Supply
  • CMOS, DDR CMOS, or DDR LVDS Outputs
  • Selectable Input Ranges: 1VP-P to 2VP-P
  • 550MHz Full Power Bandwidth S/H
  • Optional Data Output Randomizer
  • Optional Clock Duty Cycle Stabilizer
  • Shutdown and Nap Modes
  • Serial SPI Port for Configuration
  • 64-Lead (9mm × 9mm) QFN Package

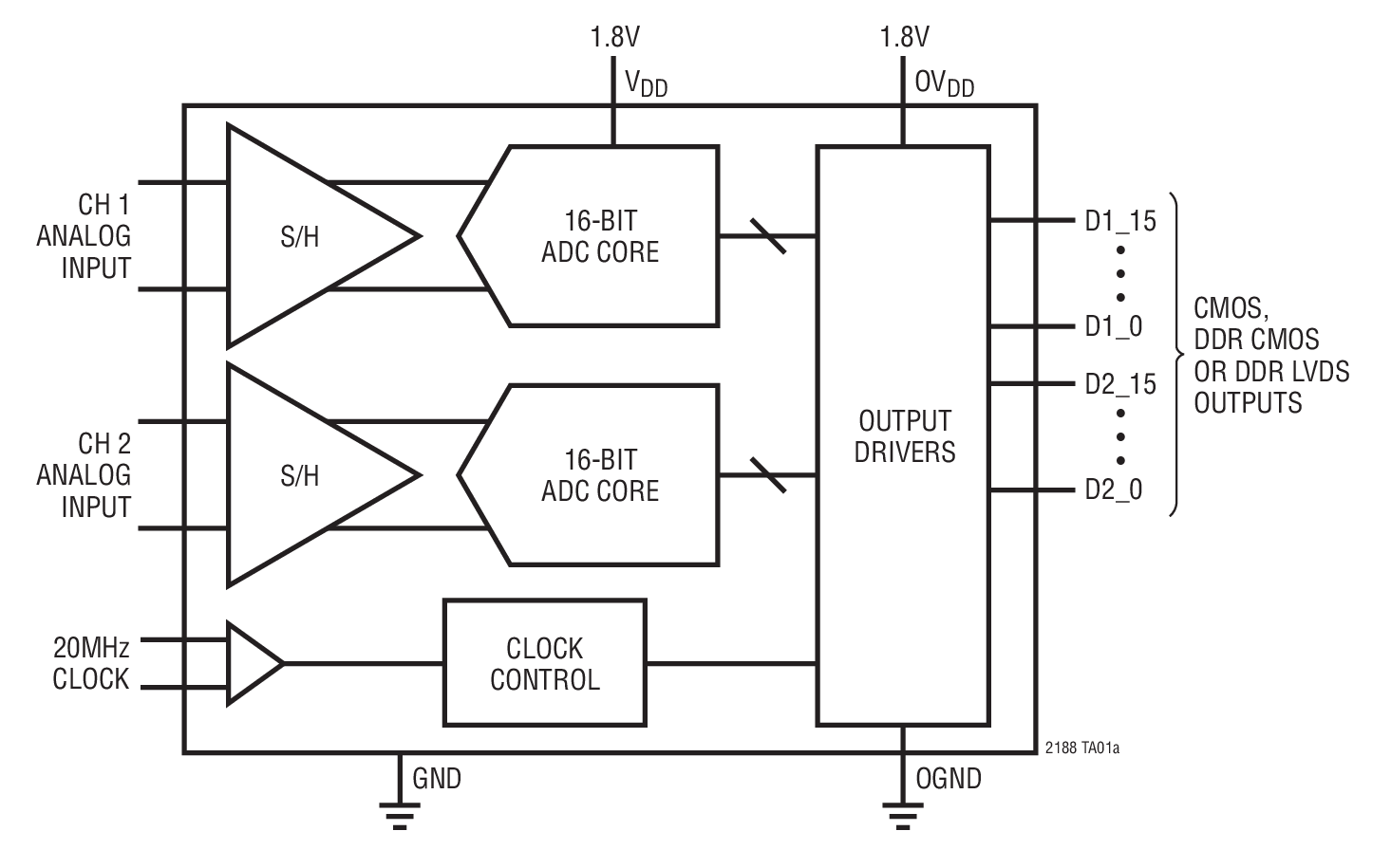
The LTC2188 is a two-channel simultaneous sampling 16‑bit A/D converter designed for digitizing high frequency, wide dynamic range signals. It is perfect for demanding communications applications with AC performance that includes 77dB SNR and 90dB spurious free dynamic range (SFDR). Ultralow jitter of 0.07psRMS allows undersampling of IF frequencies with excellent noise performance.

DC specs include ±2LSB INL (typ), ±0.5LSB DNL (typ) and no missing codes over temperature. The transition noise is 3.2LSBRMS.

The digital outputs can be either full rate CMOS, Double Data Rate CMOS, or Double Data Rate LVDS. A separate output power supply allows the CMOS output swing to range from 1.2V to 1.8V.

The ENC+ and ENC inputs may be driven differentially or single-ended with a sine wave, PECL, LVDS, TTL, or CMOS inputs. An optional clock duty cycle stabilizer allows high performance at full speed for a wide range of clock duty cycles.

Applications

  • Communications
  • Cellular Base Stations
  • Software Defined Radios
  • Portable Medical Imaging
  • Multi-Channel Data Acquisition
  • Nondestructive Testing

LTC2188
16-Bit, 20Msps Low Power Dual ADC
Integral Non-Linearity (INL) Product Package 1 Product Package 2 Product Package 3
Add to myAnalog

Add product to the Products section of myAnalog (to receive notifications), to an existing project or to a new project.

Create New Project
Ask a Question

Documentation

Data Sheet 1

Reliability Data 1

User Guide 1

Data Sheet

This is the most up-to-date revision of the Data Sheet.

Learn More
Add to myAnalog

Add media to the Resources section of myAnalog, to an existing project or to a new project.

Create New Project

Software Resources

Evaluation Software 1

LinearLab Tools

A collection of Matlab and Python programs that provide direct access to Linear Technology’s data converter evaluation boards.


Hardware Ecosystem

Parts Product Life Cycle Description
Differential Amplifiers 1
LTC6406 LAST TIME BUY 3GHz, Low Noise, Rail-to-Rail Input Differential Amplifier/Driver
Phase-Locked Loop (PLL) Synthesizers 1
LTC6946 LAST TIME BUY Ultralow Noise and Spurious 0.37GHz to 6.39GHz Integer-N Synthesizer with Integrated VCO
Modal heading
Add to myAnalog

Add product to the Products section of myAnalog (to receive notifications), to an existing project or to a new project.

Create New Project

Evaluation Kits

eval board
DC1620A-S

LTC2188: 16-bit 20Msps Dual ADC, DDR LVDS Outputs, 5-140MHz, Requires DC890, LVDS_XFMR and DC1075

Product Details

DC1620A-S: Demo Board for LTC2188 16-Bit, 20Msps Low Power Dual ADC.


DC1620A-S
LTC2188: 16-bit 20Msps Dual ADC, DDR LVDS Outputs, 5-140MHz, Requires DC890, LVDS_XFMR and DC1075
DC1620A-A - Schematic

Latest Discussions

No discussions on LTC2188 yet. Have something to say?

Start a Discussion on EngineerZone®

Recently Viewed