LTC2144-14

PRODUCTION

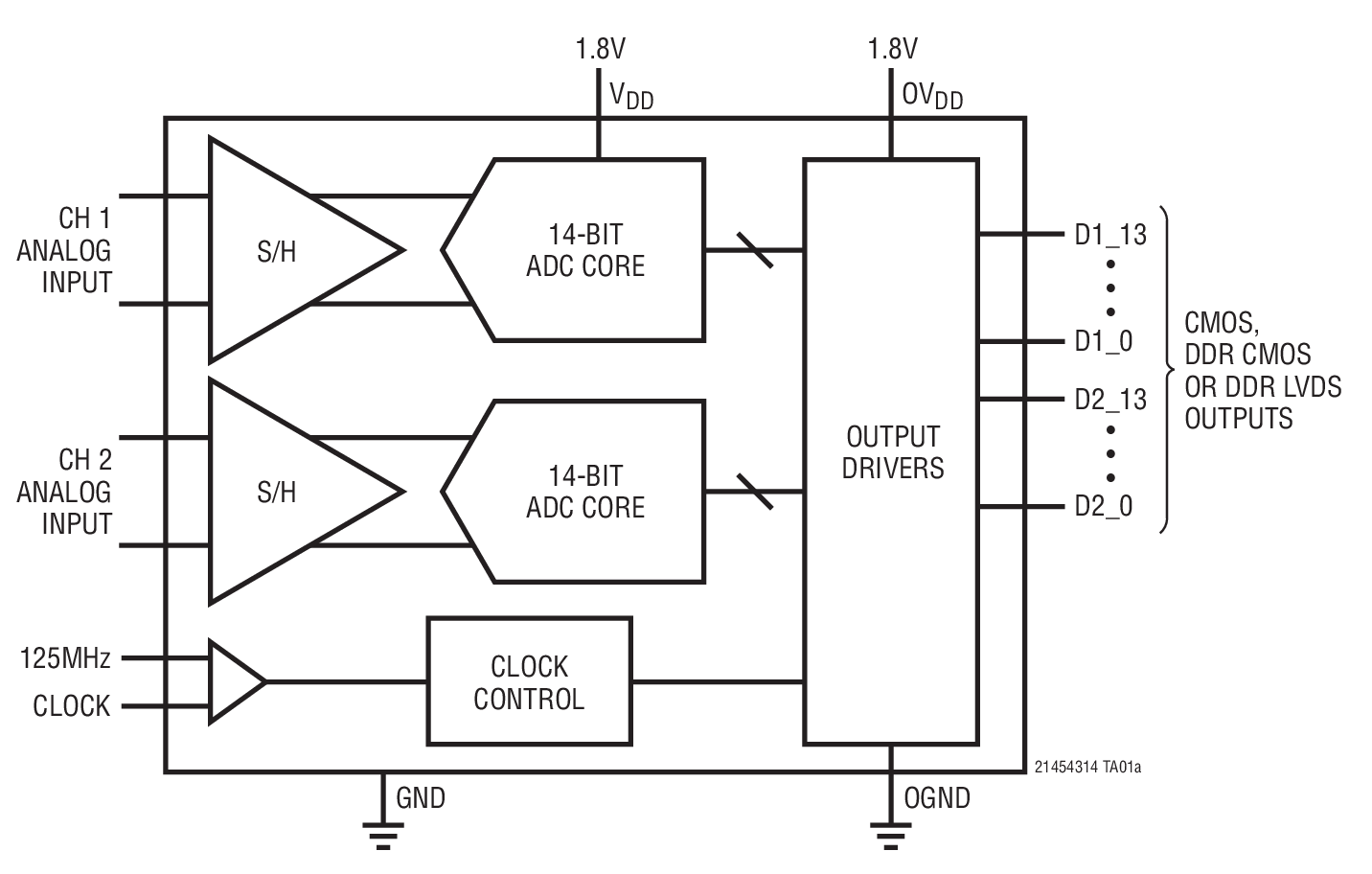
14-Bit, 105Msps Low Power Dual ADCs

Viewing:

Overview

  • Two-Channel Simultaneously Sampling ADC
  • 73.1dB SNR
  • 90dB SFDR
  • Low Power: 189mW/149mW/113mW Total 95mW/75mW/57mW per Channel
  • Single 1.8V Supply
  • CMOS, DDR CMOS, or DDR LVDS Outputs
  • Selectable Input Ranges: 1VP-P to 2VP-P
  • 750MHz Full Power Bandwidth S/H
  • Optional Data Output Randomizer
  • Optional Clock Duty Cycle Stabilizer
  • Shutdown and Nap Modes
  • Serial SPI Port for Configuration
  • 64-Pin (9mm × 9mm) QFN Package

The LTC2145-14/LTC2144-14/LTC2143-14 are 2-channel simultaneous sampling 14-bit A/D converters designed for digitizing high frequency, wide dynamic range signals. They are perfect for demanding communications applications with AC performance that includes 73.1dB SNR and 90dB spurious free dynamic range (SFDR). Ultralow jitter of 0.08psRMS allows undersampling of IF frequencies with excellent noise performance.

DC specs include ±1LSB INL (typ), ±0.3LSB DNL (typ) and no missing codes over temperature. The transition noise is 1.2LSBRMS.

The digital outputs can be either full rate CMOS, double data rate CMOS, or double data rate LVDS. A separate output power supply allows the CMOS output swing to range from 1.2V to 1.8V.

The ENC+ and ENC inputs may be driven differentially or single-ended with a sine wave, PECL, LVDS, TTL, or CMOS inputs. An optional clock duty cycle stabilizer allows high performance at full speed for a wide range of clock duty cycles.

  Bits
LTC2144-12 12
LTC2144-14 14

Applications

  • Communications
  • Cellular Base Stations
  • Software Defined Radios
  • Portable Medical Imaging
  • Multi-Channel Data Acquisition
  • Nondestructive Testing

LTC2144-14
14-Bit, 105Msps Low Power Dual ADCs
64k Point 2-Tone FFT, fIN = 69MHz,  70MHz, –1dBFS, 125Msps Product Package 1 Product Package 2 Product Package 3
Add to myAnalog

Add product to the Products section of myAnalog (to receive notifications), to an existing project or to a new project.

Create New Project
Ask a Question

Documentation

Data Sheet

This is the most up-to-date revision of the Data Sheet.

Learn More
Add to myAnalog

Add media to the Resources section of myAnalog, to an existing project or to a new project.

Create New Project

Software Resources

Evaluation Software 1

LinearLab Tools

A collection of Matlab and Python programs that provide direct access to Linear Technology’s data converter evaluation boards.


Hardware Ecosystem

Parts Product Life Cycle Description
Differential Amplifiers 2
LTC6406 LAST TIME BUY 3GHz, Low Noise, Rail-to-Rail Input Differential Amplifier/Driver
LTC6409 RECOMMENDED FOR NEW DESIGNS 10GHz GBW, 1.1nV/√Hz Differential Amplifier/ADC Driver
Phase-Locked Loop (PLL) Synthesizers 1
LTC6946 LAST TIME BUY Ultralow Noise and Spurious 0.37GHz to 6.39GHz Integer-N Synthesizer with Integrated VCO
Modal heading
Add to myAnalog

Add product to the Products section of myAnalog (to receive notifications), to an existing project or to a new project.

Create New Project

Tools & Simulations


Evaluation Kits

eval board
DC1620A-H

LTC2144-14: 14-bit 105Msps Dual ADC, DDR LVDS Outputs, 5-140MHz, Requires DC890, LVDS_XFMR and DC1075

Product Details

DC1620A-H: Demo Board for LTC2144-14 14-Bit, 105Msps Low Power Dual ADCs.

DC1620A-H
LTC2144-14: 14-bit 105Msps Dual ADC, DDR LVDS Outputs, 5-140MHz, Requires DC890, LVDS_XFMR and DC1075
DC1620A-A - Schematic

Latest Discussions

No discussions on LTC2144-14 yet. Have something to say?

Start a Discussion on EngineerZone®

Recently Viewed