LTC1603
PRODUCTIONHigh Speed, 16-Bit, 250ksps Sampling A/D Converter with Shutdown
- Part Models
- 4
- 1ku List Price
- Starting From $14.96
Overview
- A Complete, 250ksps 16-Bit ADC
- 90dB S/(N+D) and –100dB THD (Typ)
- Power Dissipation: 220mW (Typ)
- Nap (7mW) and Sleep (10µW) Shutdown Modes
- No Pipeline Delay
- No Missing Codes over Temperature
- Operates with Internal 15ppm/°C Reference or External Reference
- True Differential Inputs Reject Common Mode Noise
- 5MHz Full Power Bandwidth
- ±2.5V Bipolar Input Range
- Pin Compatible with LTC1604 and LTC1608
- 36-Pin SSOP Package
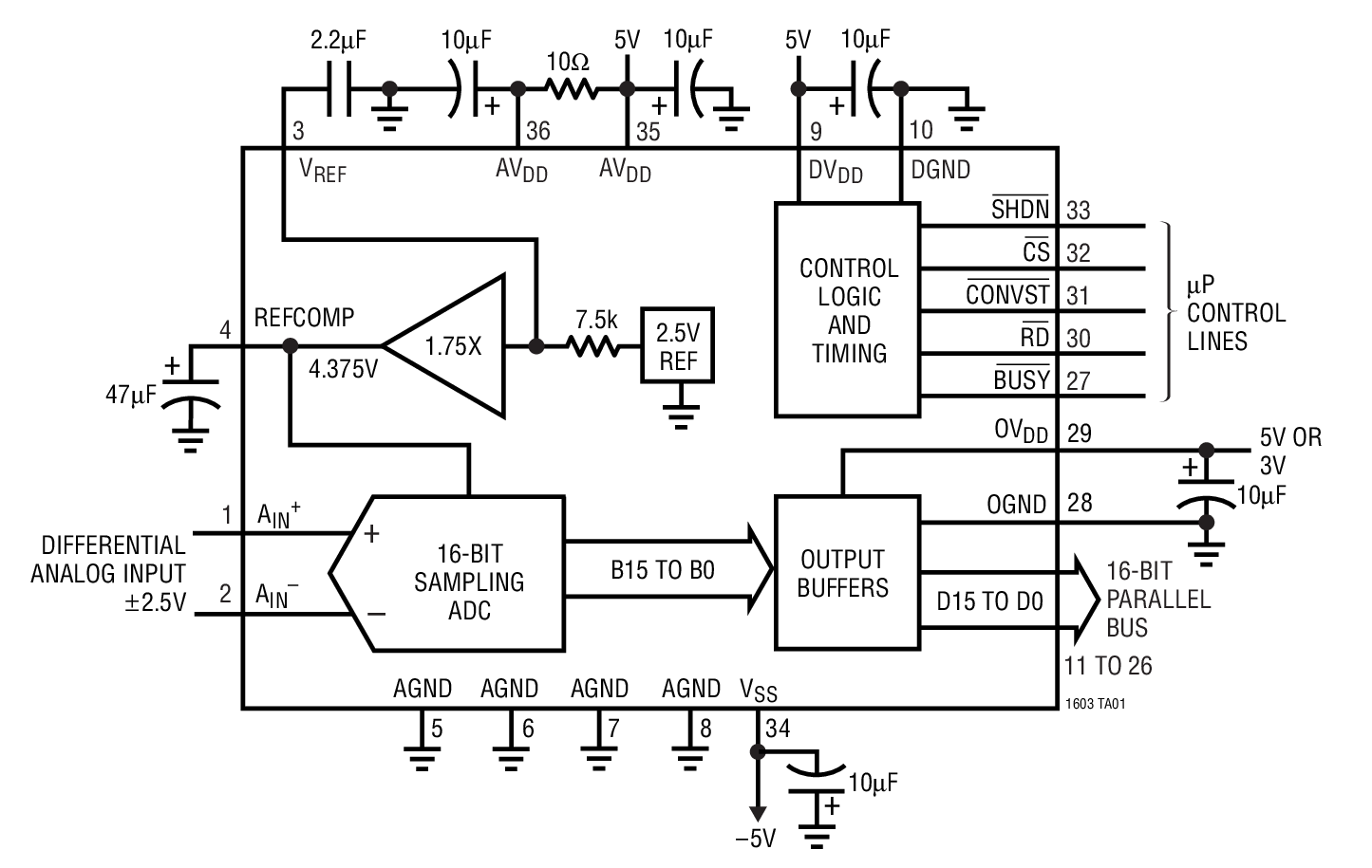
The LTC1603 is a 250ksps, 16-bit sampling A/D converter that draws only 220mW from ±5V supplies. This high performance device includes a high dynamic range sample-and-hold, a precision reference and a high speed parallel output. Two digitally selectable power shutdown modes provide power savings for low power systems.
The LTC1603’s full-scale input range is ±2.5V. Outstanding AC performance includes 90dB S/(N+D) and –100dB THD at a sample rate of 250ksps.
The unique differential input sample-and-hold can acquire single-ended or differential input signals up to its 15MHz bandwidth. The 68dB common mode rejection allows users to eliminate ground loops and common mode noise by measuring signals differentially from the source.
The ADC has µP compatible,16-bit parallel output port. There is no pipeline delay in conversion results. A separate convert start input and a data ready signal (BUSY) ease connections to FIFOs, DSPs and microprocessors.
Applications
- Telecommunications
- Digital Signal Processing
- Multiplexed Data Acquisition Systems
- High Speed Data Acquisition
- Spectrum Analysis
- Imaging Systems
Documentation
Data Sheet 1
Reliability Data 1
Product Selector Card 2
ADI has always placed the highest emphasis on delivering products that meet the maximum levels of quality and reliability. We achieve this by incorporating quality and reliability checks in every scope of product and process design, and in the manufacturing process as well. "Zero defects" for shipped products is always our goal. View our quality and reliability program and certifications for more information.
| Part Model | Pin/Package Drawing | Documentation | CAD Symbols, Footprints, and 3D Models |
|---|---|---|---|
| LTC1603CG#PBF | 24-Lead SSOP | ||
| LTC1603CG#TRPBF | 24-Lead SSOP | ||
| LTC1603IG#PBF | 24-Lead SSOP | ||
| LTC1603IG#TRPBF | 24-Lead SSOP |
| Part Models | Product Lifecycle | PCN |
|---|---|---|
|
Nov 18, 2019 - 19_0266 Laser Top Mark for SSOP36/44/48 Packages assembled in ADPG and UTAC |
||
| LTC1603CG#PBF | PRODUCTION | |
| LTC1603CG#TRPBF | PRODUCTION | |
| LTC1603IG#PBF | PRODUCTION | |
| LTC1603IG#TRPBF | PRODUCTION | |
This is the most up-to-date revision of the Data Sheet.
Software Resources
Can't find the software or driver you need?
Request a Driver/SoftwareHardware Ecosystem
| Parts | Product Life Cycle | Description |
|---|---|---|
| Analog to Digital Converters (ADCs) 1 | ||
| LTC2337-18 | PRODUCTION | 18-Bit, 500ksps, ±10.24V True Bipolar, Fully Differential Input ADC with 100dB SNR |