Quantic X-Microwave

Analog Devices RF and microwave components are available as drop-in X-MWblocks®
from Quantic X-Microwave.

Get the X-MWblock® drop-in module for this part.

HMC936A

RECOMMENDED FOR NEW DESIGNS

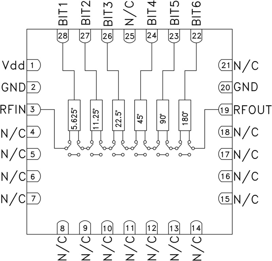
GaAS MMIC 6 Bit Digital Phase Shifters, 1.2 - 1.4 GHz

Viewing:

Overview

  • Low RMS phase error: 1.2°
  • Low insertion loss: 5 dB
  • High linearity: +45 dBm
  • Positive control logic
  • 360° coverage, LSB = 5.625°
  • 28 lead 6x6 mm SMT package: 36mm2

The HMC936ALP6E is a 6-bit digital phase shifter which is rated from 1.2 to 1.4 GHz, providing 360 degrees of phase coverage, with a LSB of 5.625 degrees. The HMC936ALP6E features very low RMS phase error of 1.2 degrees and extremely low inser-tion loss variation of ±0.5 dB across all phase states. This high accuracy phase shifter is controlled with positive control logic of 0/+5V and requires no negative supply voltage. The HMC936ALP6E is housed in a compact 6x6 mm plastic leadless SMT package and is internally matched to 50 Ohms with no external components.

Applications

  • EW receivers 
  • Weather and military radar
  • Satellite communications
  • Beamforming modules
  • Phase cancellation

HMC936A

GaAS MMIC 6 Bit Digital Phase Shifters, 1.2 - 1.4 GHz

hmc936a_fbl
Add to myAnalog

Add product to the Products section of myAnalog (to receive notifications), to an existing project or to a new project.

Create New Project
Ask a Question

Documentation

Data Sheet

This is the most up-to-date revision of the Data Sheet.

Learn More
Add to myAnalog

Add media to the Resources section of myAnalog, to an existing project or to a new project.

Create New Project

Software Resources

Can't find the software or driver you need?

Request a Driver/Software

Tools & Simulations


Evaluation Kits

EVAL-HMC936A
HMC936A Evaluation Board

Latest Discussions

Recently Viewed