HMC933

Obsolete

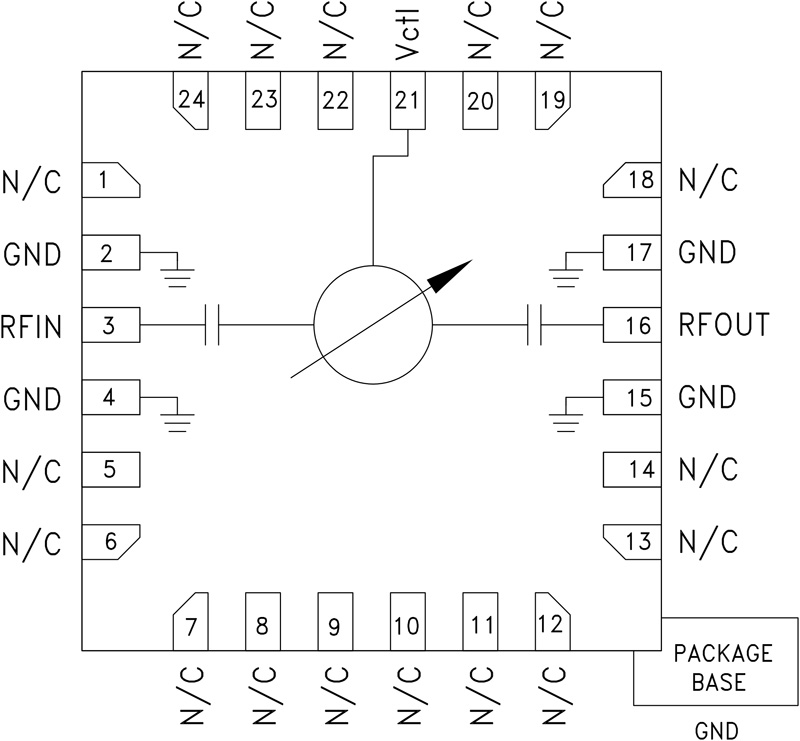
470° Analog Phase Shifter SMT, 18 - 24 GHz

Viewing:

Overview

  • Wide Bandwidth: 18 - 24 GHz
  • 470° Phase Shift
  • Low Insertion Loss: 4.5 dB
  • Low Phase Error: ±10 deg Typ.
  • Single Positive Voltage Control
  • 24 Lead 4x4mm QFN Package: 16mm²

The HMC933LP4E is an Analog Phase Shifter which is controlled via an analog control voltage from 0 to +13V. The HMC933LP4E provides a continuously variable phase shift of 0 to 470 degrees from 18 to 24 GHz, with extremely consistent low insertion loss versus phase shift and frequency. The high accuracy HMC933LP4E is monotonic with respect to control voltage and features a typical low phase error of ±10 degrees over an octave bandwidth. The HMC933LP4E is housed in an RoHS compliant 4x4 mm QFN leadless package.

Applications

  • EW Receivers
  • Military Radar
  • Test Equipment
  • Satellite Communications
  • Beam Forming Modules

HMC933
470° Analog Phase Shifter SMT, 18 - 24 GHz
hmc933lp4_fbl
Add to myAnalog

Add product to the Products section of myAnalog (to receive notifications), to an existing project or to a new project.

Create New Project
Ask a Question

Documentation

Obsolete Data Sheet 1

Data Sheet

This is the most up-to-date revision of the Data Sheet.

Learn More
Add to myAnalog

Add media to the Resources section of myAnalog, to an existing project or to a new project.

Create New Project

Software Resources

Can't find the software or driver you need?

Request a Driver/Software

Evaluation Kits

EVAL-HMC933LP4E
HMC933LP4E Evaluation Board

Latest Discussions

Recently Viewed