HMC932

Obsolete

390° Analog Phase Shifter SMT, 12 - 18 GHz

Viewing:

Overview

  • Wide Bandwidth: 12 - 18 GHz
  • 390° Phase Shift
  • Low Insertion Loss: 4 dB
  • Low Phase Error: ±10 deg Typ.
  • Single Positive Voltage Control
  • 24 Lead 4 × 4mm QFN Package: 16mm²

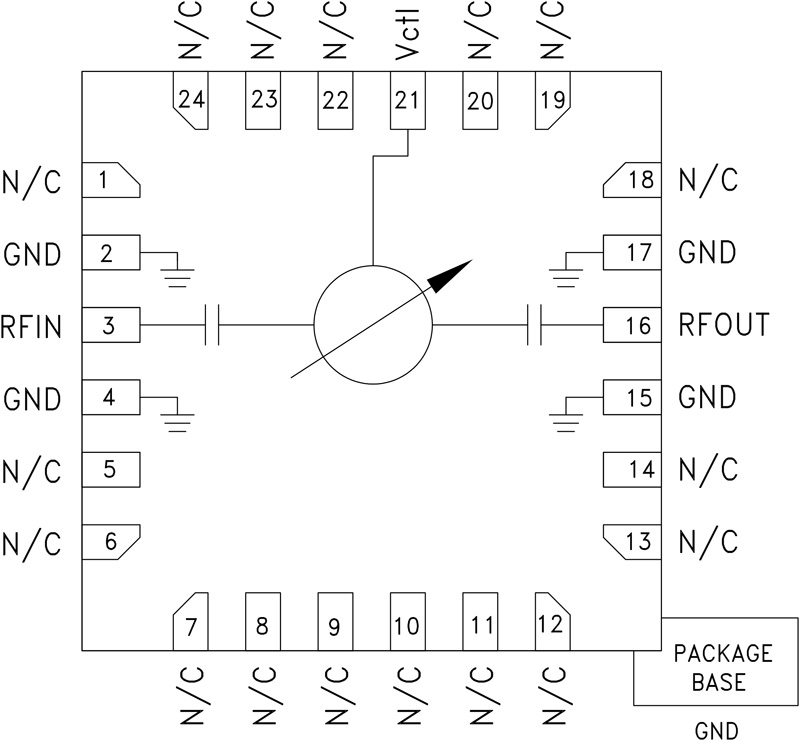
The HMC932LP4E is an Analog Phase Shifter which is controlled via an analog control voltage from 0 to +13V. The HMC932LP4E provides a continuously variable phase shift of 0 to 390 degrees from 12 to 18 GHz, with extremely consistent low insertion loss versus phase shift and frequency. The high accuracy HMC932LP4E is monotonic with respect to control voltage and features a typical low phase error of ±10 degrees over an octave bandwidth. The HMC932LP4E is housed in an RoHS compliant 4 × 4 mm QFN leadless package.

APPLICATIONS

  • EW Receivers
  • Military Radar
  • Test Equipment
  • Satellite Communications
  • Beam Forming Modules

HMC932
390° Analog Phase Shifter SMT, 12 - 18 GHz
HMC932 Functional Block Diagram
Add to myAnalog

Add product to the Products section of myAnalog (to receive notifications), to an existing project or to a new project.

Create New Project
Ask a Question

Documentation

Obsolete Data Sheet 1

Data Sheet

This is the most up-to-date revision of the Data Sheet.

Learn More
Add to myAnalog

Add media to the Resources section of myAnalog, to an existing project or to a new project.

Create New Project

Software Resources

Can't find the software or driver you need?

Request a Driver/Software

Tools & Simulations

S-Parameter 1


Evaluation Kits

EVAL-HMC932LP4E
HMC932LP4E Evaluation Board

Latest Discussions

Recently Viewed