HMC931

Obsolete

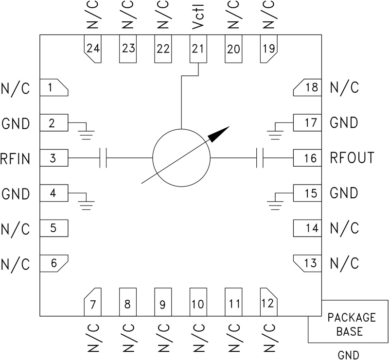
410° Analog Phase Shifter SMT, 8 - 12 GHz

Viewing:

Overview

  • Wide Bandwidth: 8 - 12 GHz
  • 410° Phase Shift
  • Low Insertion Loss: 3.5 dB
  • Low Phase Error: +12 / -7 deg Typ.
  • Single Positive Voltage Control
  • 24 Lead 4x4mm QFN Package: 16mm²

The HMC931LP4E is an Analog Phase Shifter which is controlled via an analog control voltage from 0 to +13V. The HMC931LP4E provides a continuously variable phase shift of 0 to 410 degrees from 8 to 12 GHz, with extremely consistent low insertion loss versus phase shift and frequency. The high accuracy HMC931LP4E is monotonic with respect to control voltage and features a typical low phase error of +12 / -7 degrees over an octave bandwidth. The HMC931LP4E is housed in an RoHS compliant 4x4 mm QFN leadless package.

Applications

  • EW Receivers
  • Military Radar
  • Test Equipment
  • Satellite Communications
  • Beam Forming Modules

Suggested Replacement Parts

HMC642A RECOMMENDED FOR NEW DESIGNS

GaAs MMIC 6-Bit Digital Phase Shifter, 9 - 12.5 GHz

HMC931
410° Analog Phase Shifter SMT, 8 - 12 GHz
hmc931lp4_fbl
Add to myAnalog

Add product to the Products section of myAnalog (to receive notifications), to an existing project or to a new project.

Create New Project
Ask a Question

Documentation

Obsolete Data Sheet 1

Data Sheet

This is the most up-to-date revision of the Data Sheet.

Learn More
Add to myAnalog

Add media to the Resources section of myAnalog, to an existing project or to a new project.

Create New Project

Software Resources

Can't find the software or driver you need?

Request a Driver/Software

Hardware Ecosystem

Parts Product Life Cycle Description
HMC642A RECOMMENDED FOR NEW DESIGNS GaAs MMIC 6-Bit Digital Phase Shifter, 9 - 12.5 GHz
Modal heading
Add to myAnalog

Add product to the Products section of myAnalog (to receive notifications), to an existing project or to a new project.

Create New Project

Tools & Simulations

S-Parameter 1


Evaluation Kits

EVAL-HMC931LP4E
HMC931LP4E Evaluation Board

Latest Discussions

Recently Viewed