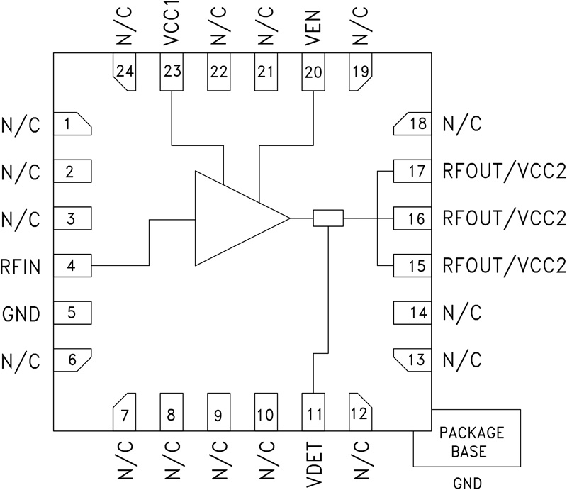
HMC921

Obsolete

GaAs HBT MMIC 2 Watt Power Amplifier, 0.4 - 2.7 GHz

Viewing:

Overview

  • High Output IP 3: +48 dBm
  • High Output P1dB: +33 dBm
  • High Gain: 16 dB @ 900 MHz
  • Single Supply: +5V
  • 32% PAE @ +33 dBm Pout
  • Adjustable Bias Current
  • 24 Lead 4x4mm SMT Package: 16mm²

The HMC921LP 4E is a high linearity GaAs HBT MMI C 2 watt power amplifier operating from 0.4 to 2.7 GHz and is housed in a RoHS compliant 4x4 mm QFN leadless package. The HMC921LP4E utilizes a minimum number of external components and operates from a single +5V supply. This versatile power amplifier can be biased for both low quiescent current and high quiescent current modes by adjusting a single external resistor.

Applications

  • Cellular/3G & WiMAX/LTE/4G
  • Fixed Wireless & WLAN
  • CATV, Cable Modem & DBS
  • Microwave Radio & Test Equipment
  • IF & RF Applications

HMC921
GaAs HBT MMIC 2 Watt Power Amplifier, 0.4 - 2.7 GHz
hmc921lp4_fbl
Add to myAnalog

Add product to the Products section of myAnalog (to receive notifications), to an existing project or to a new project.

Create New Project
Ask a Question

Documentation

Data Sheet

This is the most up-to-date revision of the Data Sheet.

Learn More
Add to myAnalog

Add media to the Resources section of myAnalog, to an existing project or to a new project.

Create New Project

Software Resources

Can't find the software or driver you need?

Request a Driver/Software

Evaluation Kits

eval board
AD-PZSDR2400TDD-EB

Two Channels, 2400MHz TDD Application

Product Details

The AD-PZSDR2400TDD-EB is a 2.4GHz TDD analog module designed to work with the AD9361, a high performance, highly integrated RF transceiver intended for use in RF applications, such as 3G and 4G base station and test equipment applications, and software defined radios. The AD-PZSDR2400TDD-EB is affectionately dubbed the first 'RF personality card'. It plugs into the ADRV1CRR-FMC carrier card. 35mm U.FL coaxial cables connect the card to the ADRV9361-Z7035 SDR SOM providing access to the transmit and receive inputs of the AD9361. Information on the card, how to use it, the design package that surrounds it, and the software which can make it work, can be found on the wiki page.


The purpose of the AD-PZSDR2400TDD-EB is to provide the user with a path to condition the transmit or receive signals of the AD9361. Selection of TX or RX path is achieved by the 200MHz to 2.7GHz SPDT switch HMC546 controlled by the FPGA and accompanying software. The transmit path consists of a 2.4GHz filter, half watt driver amplifier ADL5324 and 2 watt power amplifier HMC921. The receive path consists of the same 2.4GHz filter as well as a low loss LNA HMC669.

EVAL-HMC921LP4E
HMC921LP4E Evaluation Board
AD-PZSDR2400TDD-EB
Two Channels, 2400MHz TDD Application
AD-PZSDR2400TDD-EBZ-fbl PZSDR2400TDD-Front PZSDR2400TDD-Back PZSDR2400TDD-combined

Latest Discussions

Recently Viewed