HMC863

Obsolete

HMC863 / HMC863LP4E

Half-Watt Power Amplifier Chip or SMT, 22 GHz to 26.5 GHz or 24 GHz to 29.5 GHz

Viewing:

Overview

  • Saturated output power: +27.5 dBm at 15% PAE, +28 dBm at 18% PAE
  • High output IP3: +33 dBm, +39 dBm
  • High gain: 21.5 dB, 27 dB
  • DC supply: +6 V at 350 mA or 375 mA
  • 50 Ω matched input/output
  • Die size: 2.41 × 0.95 × 0.1 mm
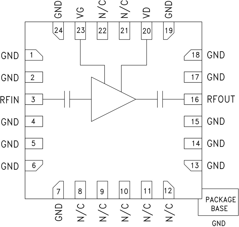
  • 24-lead, 4 × 4 mm, surface-mount technology (SMT) package

The HMC863 devices are three-stage, GaAs, monolithic microwave integrated circuit (MMIC), and PHEMT half-watt power amplifiers which operate between 22 GHz to 26.5 GHz or 24 GHz to 29.5 GHz. These amplifiers provide up to 21.5 dB or 27 dB of gain and +27.5 dBm at 15% PAE or +28 dBm at 18% PAE of saturated output power from a +6 V supply. The RF inputs/outputs are dc-blocked and matched to 50 Ω for ease of integration into multichip modules (MCMs) or higher level assemblies. All data is taken with the chip in a 50 Ω test fixture connected via 0.025 mm (1 mil) diameter wire bonds of 0.31 mm (12 mils) length. The power amplifier SMT can also be operated from a 5 V supply with only a slight decrease in output power and IP3.

Applications

  • Point-to-point radios
  • Point-to-multipoint radios
  • VSAT
  • Military and space

Suggested Replacement Parts

HMC863ALC4 RECOMMENDED FOR NEW DESIGNS

GaAs pHEMT MMIC 1/2 Watt Power Amplifier, 24 - 29.5 GHz

HMC863

HMC863 / HMC863LP4E

Half-Watt Power Amplifier Chip or SMT, 22 GHz to 26.5 GHz or 24 GHz to 29.5 GHz

hmc863_fbl hmc863lp4_fbl
Add to myAnalog

Add product to the Products section of myAnalog (to receive notifications), to an existing project or to a new project.

Create New Project
Ask a Question

Documentation

Data Sheet 2

Data Sheet

This is the most up-to-date revision of the Data Sheet.

Learn More
Add to myAnalog

Add media to the Resources section of myAnalog, to an existing project or to a new project.

Create New Project

Software Resources

Can't find the software or driver you need?

Request a Driver/Software

Hardware Ecosystem

Parts Product Life Cycle Description
HMC863ALC4 RECOMMENDED FOR NEW DESIGNS GaAs pHEMT MMIC 1/2 Watt Power Amplifier, 24 - 29.5 GHz
Modal heading
Add to myAnalog

Add product to the Products section of myAnalog (to receive notifications), to an existing project or to a new project.

Create New Project

Evaluation Kits

EVAL-HMC863LP4E
HMC863LP4E Evaluation Board

Latest Discussions

Recently Viewed