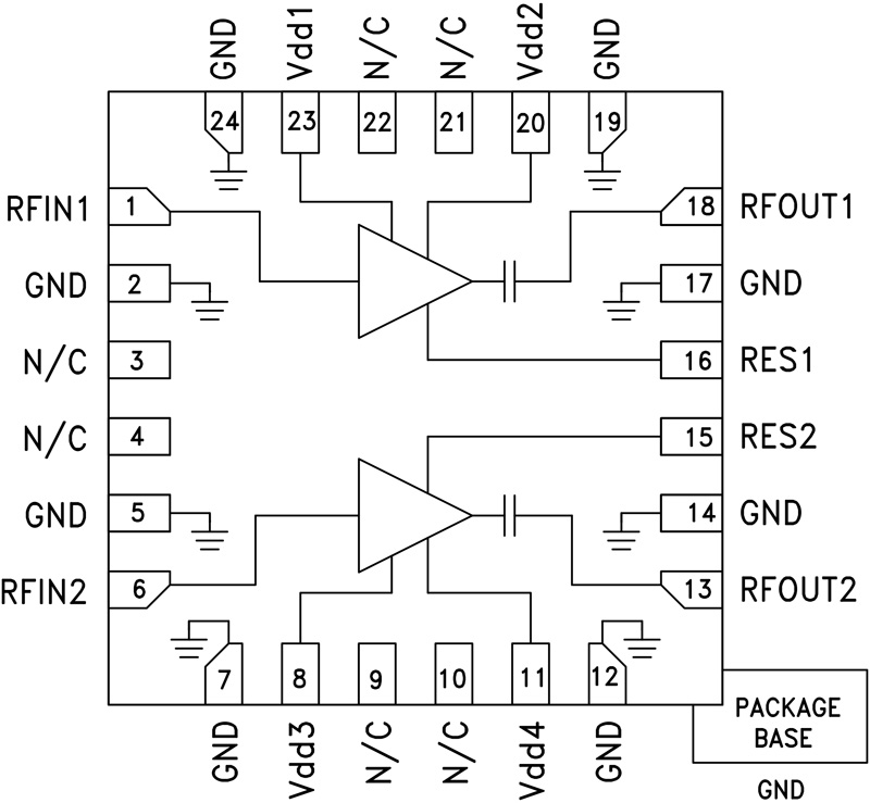
HMC818

Obsolete

Dual Channel Low Noise Amplifier, 1700 - 2200 MHz

Viewing:

Overview

  • Low Noise Figure: 0.85 dB
  • High Gain: 20.5 dB
  • High Output IP3: +35 dBm
  • Single Supply: +3V to +5V
  • 50 Ohm Matched Input/Output
  • 24 Lead 4x4mm QFN Package: 16mm²

The HMC818LP4E is a GaAs PHEMT Dual Channel Low Noise Amplifier that is ideal for Cellular/3G and LTE/WiMAX/4G basestation front-end receivers operating between 1.7 - 2.2 GHz. The amplifier has been optimized to provide 0.85 dB noise figure, 20.5 dB gain and +35 dBm output IP3 from a single supply of +5V. Input and output return losses are excellent and the LNA requires minimal external matching and bias decoupling components. The HMC818LP4E can be biased with +3V to +5V and features an externally adjustable supply current which allows the designer to tailor the linearity performance of each channel of the LNA for a specific application.

Applications

  • Cellular/3G & LTE/WiMAX/4G
  • BTS & Infrastructure
  • Repeaters and Femtocells
  • Multi-Channel Applications
  • Public Safety Radios

HMC818
Dual Channel Low Noise Amplifier, 1700 - 2200 MHz
hmc818lp4_fbl
Add to myAnalog

Add product to the Products section of myAnalog (to receive notifications), to an existing project or to a new project.

Create New Project
Ask a Question

Documentation

Obsolete Data Sheet 1

Data Sheet

This is the most up-to-date revision of the Data Sheet.

Learn More
Add to myAnalog

Add media to the Resources section of myAnalog, to an existing project or to a new project.

Create New Project

Software Resources

Can't find the software or driver you need?

Request a Driver/Software

Tools & Simulations

S-Parameter 1

Latest Discussions

Recently Viewed