HMC7447

RECOMMENDED FOR NEW DESIGNS

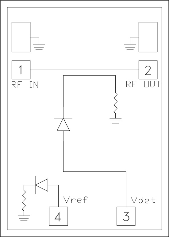
E-Band Detector, 71 - 86 GHz

Viewing:

Overview

  • Frequency: 71 - 86 GHz
  • Input Power Range:
    -0.5 to +23.5 dBm
  • Dynamic Range: 24 dB
  • Insertion Loss: 0.45 dB
  • I/Os Matched to 50 Ohms
  • Die Size: 0.87 x 1.22 x 0.1 mm

The HMC7447 is a high performance E-Band MMIC power detector designed to operate over the 71 to 86 GHz frequency range. The power detector provides a linear output voltage over a -0.5 to +23.5 dBm input power range with low insertion loss of 0.45 dB and typical input return loss of only 19.5 dB. Ideal for monitoring transmitter operation or enabling closed loop transmitter output power, the detector exhibits excellent sensitivity and at frequency response of ±0.2 dB over the 71 to 76 GHz band and the 81 to 86 GHz band. The HMC7447 power detector also provides excellent repeatability and flat performance over varying temperature and output load variations. It may be interfaced to an op-amp circuit to achieve a slope of 20 mV/dB at the minimum detector input power level. All data is taken with the chip in a 50 Ohm test fixture connected via a 0.025 mm (1mil) diameter double wire bonds of 0.2 mm (8 mils) maximum length.

Applications

The HMC7447 monitors Tx Output Power for:

  • E-Band Communications Systems
  • Test Equipment & Sensors 
  • General Purpose RF Power Detection

HMC7447
E-Band Detector, 71 - 86 GHz
hmc7447_fbl
Add to myAnalog

Add product to the Products section of myAnalog (to receive notifications), to an existing project or to a new project.

Create New Project
Ask a Question

Documentation

Data Sheet 1

Data Sheet

This is the most up-to-date revision of the Data Sheet.

Learn More
Add to myAnalog

Add media to the Resources section of myAnalog, to an existing project or to a new project.

Create New Project

Software Resources

Can't find the software or driver you need?

Request a Driver/Software

Latest Discussions

Recently Viewed