Two engineers working in the lab

Save time and deliver your solutions faster with ADI’s new suite of precision technology signal chains. Align your applications ranging from Smart Industry to Instrumentation, Electrification to Digital Health, to exactly the right precision technology combinations.

Tailor your signal chain with confidence

HMC7282B

Obsolete

Quad Optical Modulator Driver, 32 Gbps

Viewing:

Overview

  • Operation up to 32 Gbps
  • 4.5 W Power Dissipation for 6.5V output voltage
  • Less than 330 fs Additive RMS Jitter
  • Fully Integrated Compact Module with GPPO Interface
  • Hermetically Sealed Module
  • Integrated Temperature Sensors
  • Module Size: 40 x 25 x 6.5 mm

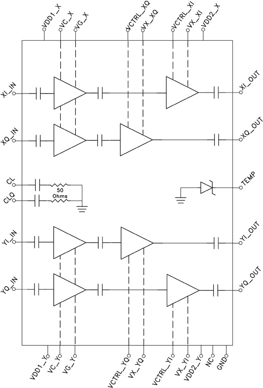
The HMC7282B is a four channel optical modulator driver amplifier module and is ideal for driving external mach-zender modulators in 100Gbps DP-QPDK applications.

The HMC7282B is compliant with OIF's (Optical Interface Forum) "Integrated Polarization Multiplexed Quadrature Modulated Transmitters Implementation Agreement" and is hermetically sealed to meet stringent quality requirements of the fiber optic systems.

The HMC7282B is a highly integrated connectorized module with 50ohm matched AC coupled RF inputs and outputs. The RF output ports are designed to withstand up to 50V DC bias voltages relative to the supply voltage in order to support varying modulator bias conditions. The supply and control voltage pins are equipped with internal de-coupling capacitors and a discrete isolated diode is incorporated in the module for temperature monitoring.

The HMC7282B can operate up to 32Gbps and delivers up to 8Vpp output signal swing, exhibiting less than 0.25psec additive jitter and ±5psec group delay variation.

The HMC7282B operate on a wide supply range from 5V to 8V and features scalable power dissipation for varying output drive requirements. The HMC7282B consumes less than 4.5W and 5.5W, for 6.5Vpp and 7.5Vpp output voltage swing levels, respectively.

The output signal amplitude and cross-point are adjustable for each channel separately through the control pins to optimize the specific aspects of the driver characteristics for required optical performance.

Applications

  • 100 Gbps DP-QPSK Transmitter
  • 400 Gbps Linear Transmitter

HMC7282B
Quad Optical Modulator Driver, 32 Gbps
hmc7282b_fbl
Add to myAnalog

Add product to the Products section of myAnalog (to receive notifications), to an existing project or to a new project.

Create New Project
Ask a Question
Learn More
Add to myAnalog

Add media to the Resources section of myAnalog, to an existing project or to a new project.

Create New Project

Software Resources

Can't find the software or driver you need?

Request a Driver/Software

Evaluation Kits

EVAL-HMC7282B
HMC7282B Evaluation Board

Latest Discussions

Recently Viewed