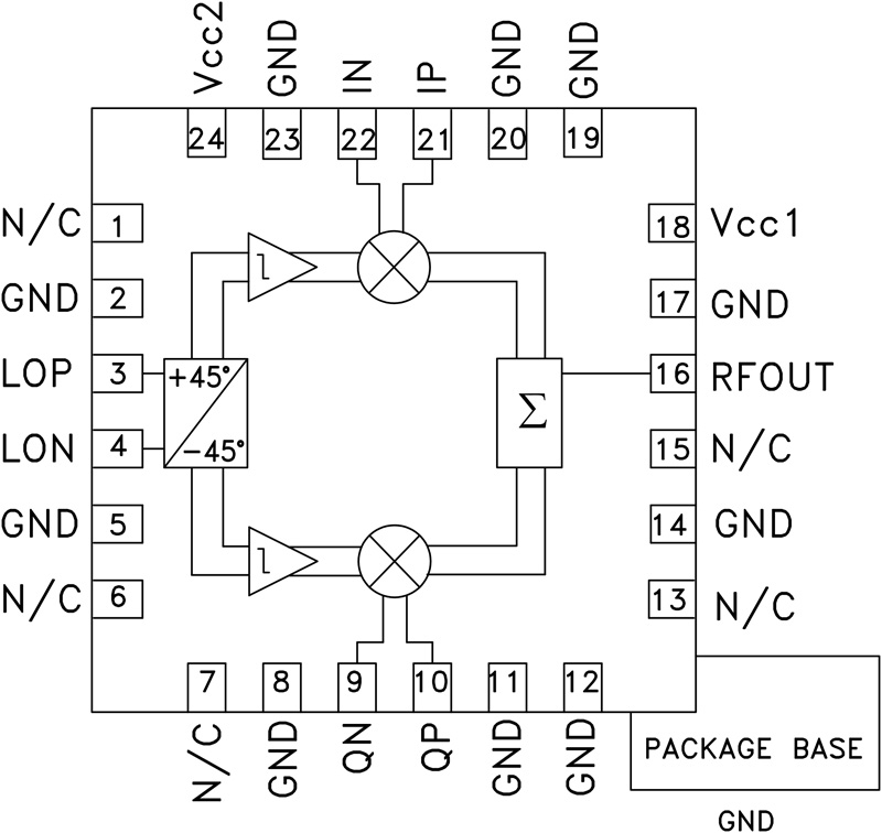
HMC697

Obsolete

SMT Direct I/Q Modulator, 450 - 4000 MHz

Viewing:

Overview

  • Very Low Noise Floor, -165 dBm/Hz
  • Excellent Carrier & Sideband Suppression
  • Very High Linearity, +22 dBm OIP3
  • High Output Power, +9 dBm Output P1dB
  • High Modulation Accuracy
  • 24 Lead 4x4 mm QFN Package: 16 mm²

The HMC697LP4(E) is a low noise, high linearity Direct Quadrature Modulator RFIC which is ideal for digital modulation applications from 0.2 to 4.0 GHz including; Cellular/3G, WiMAX/4G, Broadband Wireless Access & ISM circuits. Housed in a compact 4x4 mm (LP4) SMT QFN package, the RFIC requires minimal external components & provides a low cost alternative to more complicated double upconversion architectures.

The RF output port is single-ended and matched to 50 Ohms with no external components. The LO requires -6 to +6 dBm and can be driven in either differential or single-ended mode. This device is optimized for a +5V supply, and offers improved carrier feedthrough and sideband suppression characteristics.

Applications

  • UMTS, GSM or CDMA Basestations
  • Fixed Wireless or WLL
  • ISM Transceivers, 900 & 2400 MHz
  • GMSK, QPSK, QAM, SSB Modulators
  • Cellular/3G and WiMAX/4G

HMC697
SMT Direct I/Q Modulator, 450 - 4000 MHz
hmc697lp4_fbl
Add to myAnalog

Add product to the Products section of myAnalog (to receive notifications), to an existing project or to a new project.

Create New Project
Ask a Question

Documentation

Data Sheet

This is the most up-to-date revision of the Data Sheet.

Learn More
Add to myAnalog

Add media to the Resources section of myAnalog, to an existing project or to a new project.

Create New Project

Software Resources

Can't find the software or driver you need?

Request a Driver/Software

Evaluation Kits

EVAL-HMC697LP4
HMC697LP4 Evaluation Board

Latest Discussions

Recently Viewed