HMC662

RECOMMENDED FOR NEW DESIGNS

54 dB Logarithmic Detector, 8 - 30 GHz

Viewing:

Overview

  • Wide Input Bandwidth: 
  • 8 to 30 GHz
  • Wide Dynamic Range:
  • >54 dB up to 28 GHz
  • Single Positive Supply: +3.3V
  • Excellent Stability Over Temperature
  • Fast Rise/Fall Time: 5ns / 10ns
  • 16 Lead 3x3mm SMT Package: 9mm²

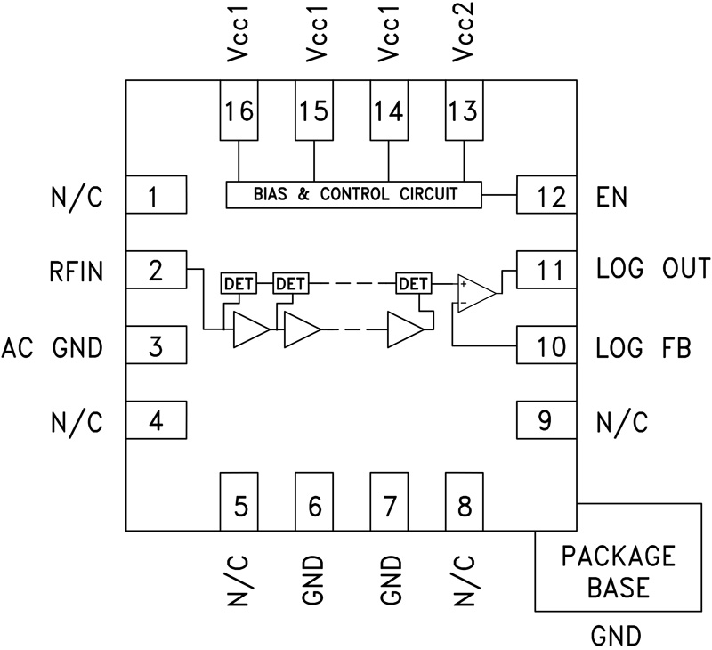
The HMC662LP3E Logarithmic Detector converts RF signals at its input, to a proportional DC voltage at its output. The HMC662LP3E employs successive compression topology which delivers high dynamic range over a wide input frequency range. As the input power is increased, successive amplifiers move into saturation one by one creating an approximation of the logarithm function.

The output of a series of square law detectors is summed, converted into the voltage domain and buffered to drive the LOG OUT output. The HMC662LP3E provides a nominal logarithmic slope of +13 mV/dB and an intercept of -127 dBm at 18 GHz. Ideal as a log detector for high volume microwave radio and VSAT applications, the HMC662LP3E is housed in a compact 3x3 mm RoHS compliant SMT plastic package.

Applications

  • Point-to-Point Microwave Radio
  • VSAT
  • Wideband Power Monitoring
  • Receiver Signal Strength Indication (RSSI)
  • Test & Measurement

HMC662
54 dB Logarithmic Detector, 8 - 30 GHz
hmc662lp3_fbl
Add to myAnalog

Add product to the Products section of myAnalog (to receive notifications), to an existing project or to a new project.

Create New Project
Ask a Question

Documentation

Data Sheet 1

Data Sheet

This is the most up-to-date revision of the Data Sheet.

Learn More
Add to myAnalog

Add media to the Resources section of myAnalog, to an existing project or to a new project.

Create New Project

Software Resources

Can't find the software or driver you need?

Request a Driver/Software

Tools & Simulations


Evaluation Kits

EVAL-HMC662LP3E
HMC662LP3E Evaluation Board

Latest Discussions

Recently Viewed