HMC647

Obsolete

HMC647 / HMC647LP6

6-Bit Digital Phase Shifter Chip and SMT, 2.5 GHz to 3.1 GHz

Viewing:

Overview

  • Low RMS phase error: 1 degree
  • Low insertion loss: 4 dB
  • High linearity: 54 dBm
  • Positive control logic
  • 360 degree coverage, LSB = 5.625 degrees
  • Die size: 3.85 mm x 1.90 mm x 0.1 mm
  • 28-lead QFN leadless SMT package: 36 mm²

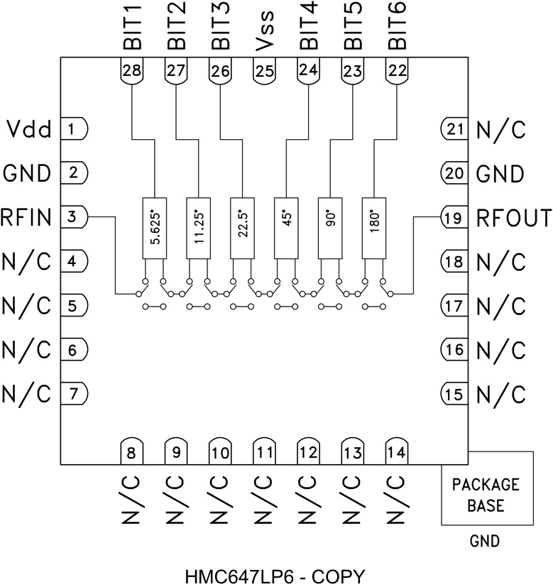
The HMC647 is a 6-bit digital phase shifter die that is rated from 2.5 GHz to 3.1 GHz, providing 360 degrees of phase coverage, with an LSB of 5.625 degrees. The HMC647 features very low RMS phase error of 1 degree and extremely low insertion loss variation of 0.4 dB to ±0.5 dB across all phase states. This high accuracy phase shifter is controlled with positive control logic of 0/5 V. The HMC647 is housed in a compact 6 mm x 6 mm plastic leadless SMT package and is internally matched to 50 Ω with no external components.

Applications

  • EW receivers
  • Weather and military radar
  • Satellite communications
  • Beamforming modules
  • Phase cancellation

Suggested Replacement Parts

HMC647A RECOMMENDED FOR NEW DESIGNS

GaAs MMIC 6-BIT Digital Phase Shifter, 2.5-3.1 GHz

HMC647

HMC647 / HMC647LP6

6-Bit Digital Phase Shifter Chip and SMT, 2.5 GHz to 3.1 GHz

HMC647 - COPY_fbl HMC647LP6 - COPY_fbl
Add to myAnalog

Add product to the Products section of myAnalog (to receive notifications), to an existing project or to a new project.

Create New Project
Ask a Question

Documentation

Data Sheet 1

Obsolete Data Sheet 1

Data Sheet

This is the most up-to-date revision of the Data Sheet.

Learn More
Add to myAnalog

Add media to the Resources section of myAnalog, to an existing project or to a new project.

Create New Project

Software Resources

Can't find the software or driver you need?

Request a Driver/Software

Hardware Ecosystem

Parts Product Life Cycle Description
HMC647A RECOMMENDED FOR NEW DESIGNS

GaAs MMIC 6-BIT Digital Phase Shifter, 2.5-3.1 GHz

Modal heading
Add to myAnalog

Add product to the Products section of myAnalog (to receive notifications), to an existing project or to a new project.

Create New Project

Tools & Simulations

S-Parameter 1


Evaluation Kits

EVAL-HMC647LP6
HMC647LP6 Evaluation Board

Latest Discussions

Recently Viewed