Two engineers working in the lab

Save time and deliver your solutions faster with ADI’s new suite of precision technology signal chains. Align your applications ranging from Smart Industry to Instrumentation, Electrification to Digital Health, to exactly the right precision technology combinations.

Tailor your signal chain with confidence

HMC6282A

Obsolete

Quad Optical Modulator Driver Module, 32 Gbps

Viewing:

Overview

  • Operation up to 32 Gbps
  • 5.3 W Power Dissipation
  • Less than 250 fs Additive RMS Jitter
  • Fully Integrated Compact Module with GPPO Interface
  • Hermetically Sealed Module
  • Integrated Temperature Sensors
  • Module Size: 40 x 25 x 6.5 mm

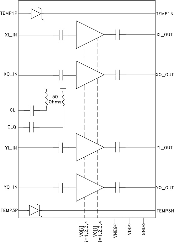
The HMC6282A is a four channel driver amplifier designed for 100 Gbps Mach-Zehnder (MZ) optical modulator driver applications. Four channel driver amplifiers are fully integrated in a compact connectorized hermetically sealed module where the input/output high-speed connectors are GPPO. The HMC6282A is fully compatible with the Optical Internetworking Forum’s (OIF) Integrated Polarization Multiplexed Quadrature Modulated Transmitters Implementation Agreement (OIF-PMQ-TX).

Features such as high gain across a wide frequency range, low jitter, excellent group delay flatness, low power dissipation, compact size, fully integrated bias-T inductors and DC blocks along with the temperature sensor function make the HMC6282A a bestin- class product.

The driver provides 8Vpp saturated output swing up to 32Gbps and features output swing cross point adjustment. There are only 4 DC control pairs required to tune the crossing and output RF amplitude individual for each channel.

HMC6282A requires single supply (VDD) and has a wide supply operating range from +5V to +8V. The RF I/Os are internally matched to 50 Ohms and the broadband DC blocks are integrated. HMC6282A provides Long Haul designers with scalable power dissipation for varying output drive requirements. (4.9W at Vout = 6.5Vpp and 6.5W at Vout = 7.5Vpp).

Applications

  • 100 Gbps DP-QPSK Transmitter
  • 400 Gbps Linear Transmitter

HMC6282A
Quad Optical Modulator Driver Module, 32 Gbps
hmc6282a_fbl
Add to myAnalog

Add product to the Products section of myAnalog (to receive notifications), to an existing project or to a new project.

Create New Project
Ask a Question
Learn More
Add to myAnalog

Add media to the Resources section of myAnalog, to an existing project or to a new project.

Create New Project

Software Resources

Can't find the software or driver you need?

Request a Driver/Software

Evaluation Kits

EVAL-HMC6282A
HMC6282A Evaluation Board

Latest Discussions

Recently Viewed