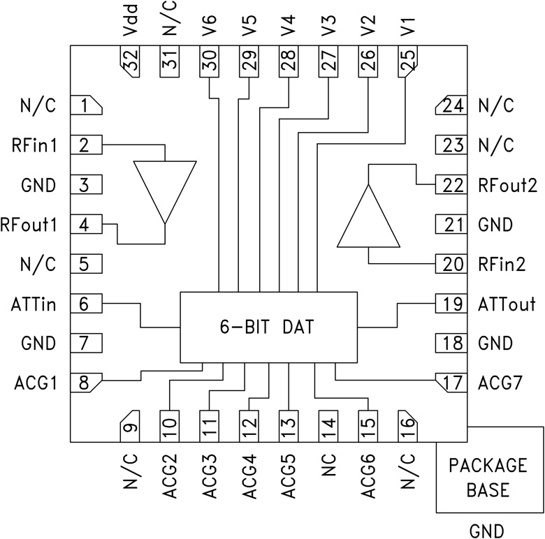
HMC626A

Obsolete

6-Bit LSB GaAs MMIC Digital Variable Gain Amplifier, DC - 1 GHz

Viewing:

Overview

  • +8.5 to +40 dB Gain Control in 0.5 dB Steps
  • High Output IP3: +36 dBm
  • ±0.25 dB Typical Step Error
  • Single +5V Supply
  • 32 Lead 5x5 mm SMT Package: 25 mm2

The HMC626ALP5E is a digitally controlled variable gain amplifier which operates from DC to 1 GHz, and can be programmed to provide anywhere from 8.5 dB, to 40 dB of gain, in 0.5 dB steps. The HMC626ALP5E delivers noise figure of 2.8 dB in its maximum gain state, with output IP3 of up to +36 dBm in any state. This single positive control line per bit digital VGA incorporates off chip AC ground capacitors for near DC operation, making it suitable for a wide variety of RF and IF applications. The HMC626ALP5E is housed in a RoHS compliant 5x5 mm QFN leadless package, and requires no external matching components. A serial control version of this product is available as the HMC681ALP5(E).

Applications

  • IF & RF Applications
  • Cellular/3G Infrastructure
  • WiBro / WiMAX / 4G
  • Microwave Radio & VSAT
  • Test Equipment & Sensors

 

HMC626A
6-Bit LSB GaAs MMIC Digital Variable Gain Amplifier, DC - 1 GHz
hmc626lp5_fbl
Add to myAnalog

Add product to the Products section of myAnalog (to receive notifications), to an existing project or to a new project.

Create New Project
Ask a Question

Documentation

Data Sheet

This is the most up-to-date revision of the Data Sheet.

Learn More
Add to myAnalog

Add media to the Resources section of myAnalog, to an existing project or to a new project.

Create New Project

Software Resources

Can't find the software or driver you need?

Request a Driver/Software

Evaluation Kits

EVAL-HMC626ALP5
HMC626ALP5 Evaluation Board

Latest Discussions

Recently Viewed