HMC597

Obsolete

SiGe Wideband Direct Demodulator SMT, 0.1 - 4.0 GHz

Viewing:

Overview

  • High Linearity: +25 dBm IIP3 & +60 dBm IIP2
  • Low Noise Figure: 15 dB
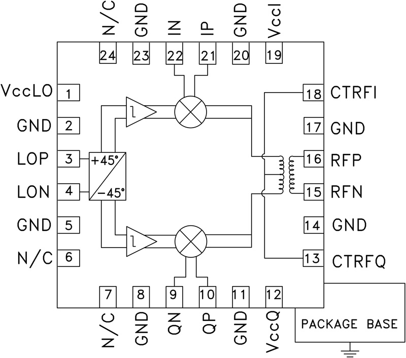
  • High Integration: On-Chip RF Balun

The HMC597LP4(E) are highly integrated SiGe wideband direct conversion I/Q Demodulator RFICs which are ideal for high dynamic range receivers operating from 100 - 4000 MHz in cellular and broadband wireless infrastructure applications. Providing a very high level of integration compared with discrete solutions, the HMC597LP4(E) features an on-chip RF balun which allows for singled ended RF input. An off-chip capacitor allows the ron of the RF port to operate over the whole 100 - 4000 MHz band without additional off-chip components.

Also ideal for software radio and other multi-band receivers, the HMC597LP4(E) demodulator is housed in a compact 4x4 mm SMT QFN package and delivers exceptionally high dynamic range. The LO requires -6 to +6 dBm and can be driven in single-ended mode. The I and Q output ports are differential with an output impedance of 400 Ohms, allowing direct connection to channel filters and ADCs. This device is optimized for a supply voltage of +4.5V to +5.5V and consumes 200 mA @ +5V supply.

Included as part of Hittite's Wideband DCR Solution: HMC6383

Applications

  • Cellular/PCS/3G
  • Base Stations & Repeaters
  • GSM/GPRS, WCDMA & TD-SCDMA
  • WiMAX, WiBro & Fixed Wireless

Suggested Replacement Parts

ADL5380 RECOMMENDED FOR NEW DESIGNS

400 MHz TO 6000 MHz Quadrature Demodulator

HMC597
SiGe Wideband Direct Demodulator SMT, 0.1 - 4.0 GHz
hmc597lp4_fbl
Add to myAnalog

Add product to the Products section of myAnalog (to receive notifications), to an existing project or to a new project.

Create New Project
Ask a Question

Documentation

Technical Articles 1

Obsolete Data Sheet 1

Data Sheet

This is the most up-to-date revision of the Data Sheet.

Learn More
Add to myAnalog

Add media to the Resources section of myAnalog, to an existing project or to a new project.

Create New Project

Software Resources

Can't find the software or driver you need?

Request a Driver/Software

Hardware Ecosystem

Parts Product Life Cycle Description
ADL5380 RECOMMENDED FOR NEW DESIGNS 400 MHz TO 6000 MHz Quadrature Demodulator
Modal heading
Add to myAnalog

Add product to the Products section of myAnalog (to receive notifications), to an existing project or to a new project.

Create New Project

Evaluation Kits

EVAL-HMC597LP4
HMC597LP4 Evaluation Board.

Latest Discussions

Recently Viewed