HMC5879

Obsolete

GaAs pHEMT MMIC 4 Watt Power Amplifier, 12 - 16 GHz

Viewing:

Overview

  • Saturated Output Power:
    +37 dBm @ 22% PAE
  • Output IP3: +44 dBm
  • High Gain: 28 dB
  • DC Supply: +7V @ 2400 mA
  • No External Matching Required
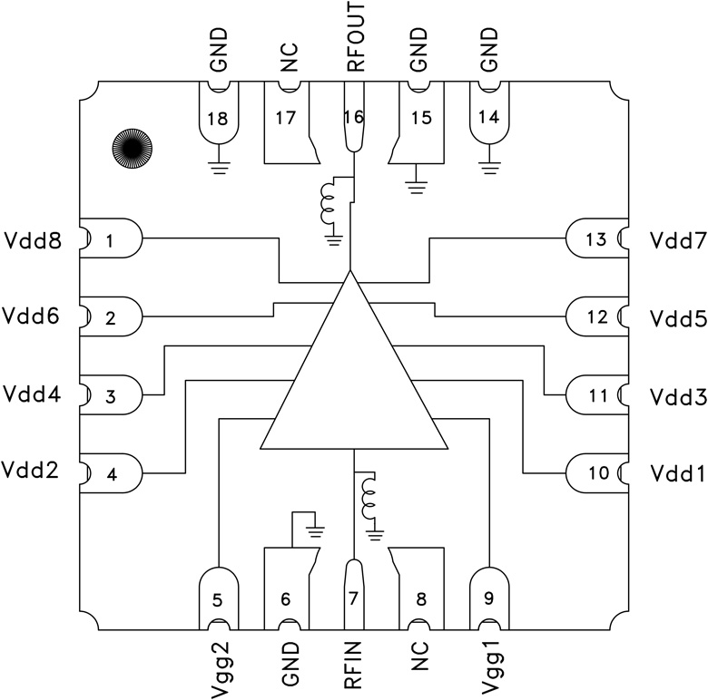
  • 18 Lead Ceramic 7x7 mm SMT Package

The HMC5879LS7 is a 4 stage GaAs pHEMT MMIC 4 Watt Power Amplifier which operates between 12 and 16 GHz. The HMC5879LS7 provides 28 dB of gain, +37 dBm of saturated output power, and 22% PAE from a +7V supply. The HMC5879LS7 exhibits excellent linearity and is optimized for high capacity digital microwave radio. It is also ideal for 13.75 to 14.5 GHz Ku Band VSAT transmitters as well as SATCOM applications.

Applications

  • Point-to-Point Radios
  • Point-to-Multi-Point Radios
  • VSAT & SATCOM
  • Military & Space

HMC5879
GaAs pHEMT MMIC 4 Watt Power Amplifier, 12 - 16 GHz
hmc5879ls7_fbl
Add to myAnalog

Add product to the Products section of myAnalog (to receive notifications), to an existing project or to a new project.

Create New Project
Ask a Question

Documentation

Data Sheet

This is the most up-to-date revision of the Data Sheet.

Learn More
Add to myAnalog

Add media to the Resources section of myAnalog, to an existing project or to a new project.

Create New Project

Software Resources

Can't find the software or driver you need?

Request a Driver/Software

Evaluation Kits

EVAL-HMC5879LS7
HMC5879LS7 Evaluation Board
HMC586 Evaluation Board HMC586 Evaluation Board - Top View HMC586 Evaluation Board - Bottom View

Latest Discussions

Recently Viewed