Quantic X-Microwave

Analog Devices' RF and microwave components are now also available as X-MWblock® drop-in evaluation modules from X-Microwave.

Get the X-MWblock® drop-in module for this part.

HMC561LP3

PRODUCTION

x2 Active Multiplier SMT, 8 - 21 GHz Fout

Viewing:

Overview

  • High Output Power: +14 dBm
  • Low Input Power Drive: 0 to +6 dBm
  • Fo Isolation: 15 dBc @ Fout= 16 GHz
  • 100 KHz SSB Phase Noise: -139 dBc/Hz
  • RoHS Compliant 3×3 mm SMT Package

The HMC561LP3(E) is a x2 active broadband frequency multiplier utilizing GaAs PHEMT technology in a leadless RoHS compliant SMT package. When driven by a +5 dBm signal, the multiplier provides +14 dBm typical output power from 8 to 21 GHz and the Fo and 3Fo isolations are 15 dBc at 16 GHz. The HMC561LP3(E) is ideal for use in LO multiplier chains for Pt to Pt & VSAT Radios yielding reduced parts count vs. traditional approaches.

The low additive SSB Phase Noise of -139 dBc/Hz at 100 kHz offset helps maintain good system noise performance. The RoHS packaged HMC561LP3(E) eliminates the need for wire bonding, and allows the use of surface mount manufacturing techniques.

APPLICATIONS

  • Clock Generation Applications: 
    SONET OC-192 & SDH STM-64 
  • Point-to-Point & VSAT Radios 
  • Test Instrumentation 
  • Military & Space

HMC561LP3
x2 Active Multiplier SMT, 8 - 21 GHz Fout
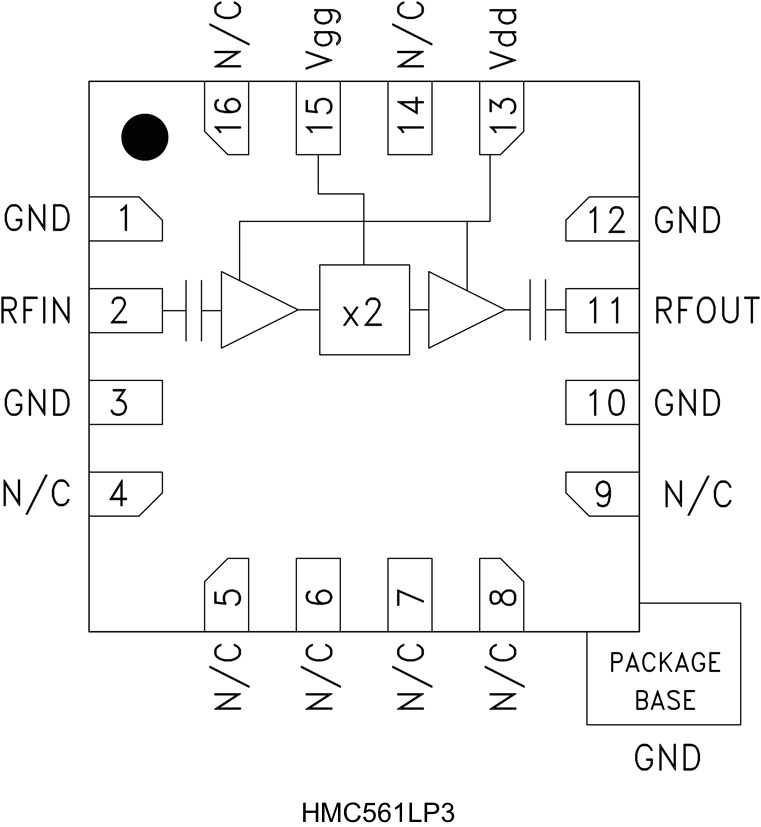
HMC561LP3 Functional Block Diagram
Add to myAnalog

Add product to the Products section of myAnalog (to receive notifications), to an existing project or to a new project.

Create New Project
Ask a Question

Documentation

Data Sheet 1

Data Sheet

This is the most up-to-date revision of the Data Sheet.

Learn More
Add to myAnalog

Add media to the Resources section of myAnalog, to an existing project or to a new project.

Create New Project

Software Resources

Can't find the software or driver you need?

Request a Driver/Software

Tools & Simulations


Evaluation Kits

eval board
EVAL-HMC561LP3

HMC561LP3 Evaluation Board

Product Details

This page contains ordering information for evaluating the HMC561LP3.

The design files link includes the BOM, schematics, and Gerber files for the evaluation board.

EVAL-HMC561LP3
HMC561LP3 Evaluation Board
HMC561 Evaluation Board HMC561 Evaluation Board - Top View HMC561 Evaluation Board - Bottom View

Latest Discussions

Recently Viewed