HMC548

Obsolete

Low Noise Amplifier SMT, 1.2 - 3.0 GHz

Viewing:

Overview

  • Single Supply: Vcc= +5V
  • Low Noise Figure: 1.3 dB
  • High Output IP3: +21 dBm
  • No External Matching Required
  • External Filter Access
  • 3x3 mm Leadless SMT Package

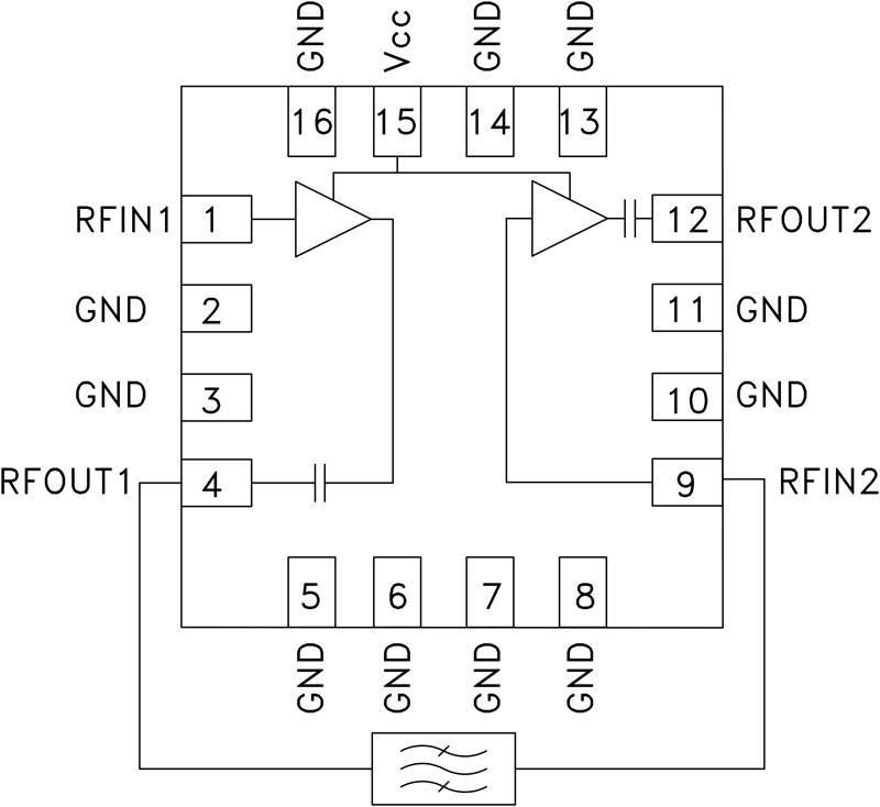
The HMC548LP3(E) is comprised of two internally matched SiGe HBT MMIC low noise amplifier stages housed in 3x3 mm leadless SMT package. The unique topology of the HMC548LP3(E) provides interstage access allowing the designer to place a bandpass filter between the two amplifier stages.

This filtering approach enables the receiver to reject nearby blocking signals such as those emitted from cellular and 3G hand-helds, without incurring the noise figure degradation associated with a high rejection pre-filter. When combined with the appropriate interstage bandpass filter, this LNA can be used as a receiver pre-amplifier in various applications from 1.2 to 3.0 GHz. Evaluation boards are available with or without a GPS L1 (1575 MHz) band pass filter.

Applications

  • Automotive Telematics 
  • GPS Antenna Modules / Boosters 
  • Location Based Portables 
  • Satellite Navigation

HMC548
Low Noise Amplifier SMT, 1.2 - 3.0 GHz
hmc548lp3_fbl
Add to myAnalog

Add product to the Products section of myAnalog (to receive notifications), to an existing project or to a new project.

Create New Project
Ask a Question

Documentation

Learn More
Add to myAnalog

Add media to the Resources section of myAnalog, to an existing project or to a new project.

Create New Project

Software Resources

Can't find the software or driver you need?

Request a Driver/Software

Tools & Simulations

S-Parameter 1

Latest Discussions

Recently Viewed