HMC524

Obsolete

HMC524 / HMC524LC3B

GaAs monolithic microwave integrated circuit (MMIC) I/Q mixer, image reject mixer (IRM) chip and surface mount technology (SMT), 22 GHz to 32 GHz

Viewing:

Overview

  • Wide intermediate frequency (IF) bandwidth
    HMC524: dc to 3.5 GHz
    HMC524LC3B: dc to 4.5 GHz
  • Image rejection
    HMC524: 23 dB
    HMC524LC3B: 20 dB
  • Local oscillator (LO) to radio frequency (RF) isolation
    HMC524: 50 dB
    HMC524LC3B: 45 dB
  • High input IP3: 20 dBm
  • Die size (HMC524): 1.49 mm × 1.14 mm × 0.1 mm
  • RoHS compliant 3 mm × 3 mm SMT package (HMC524LC3B)

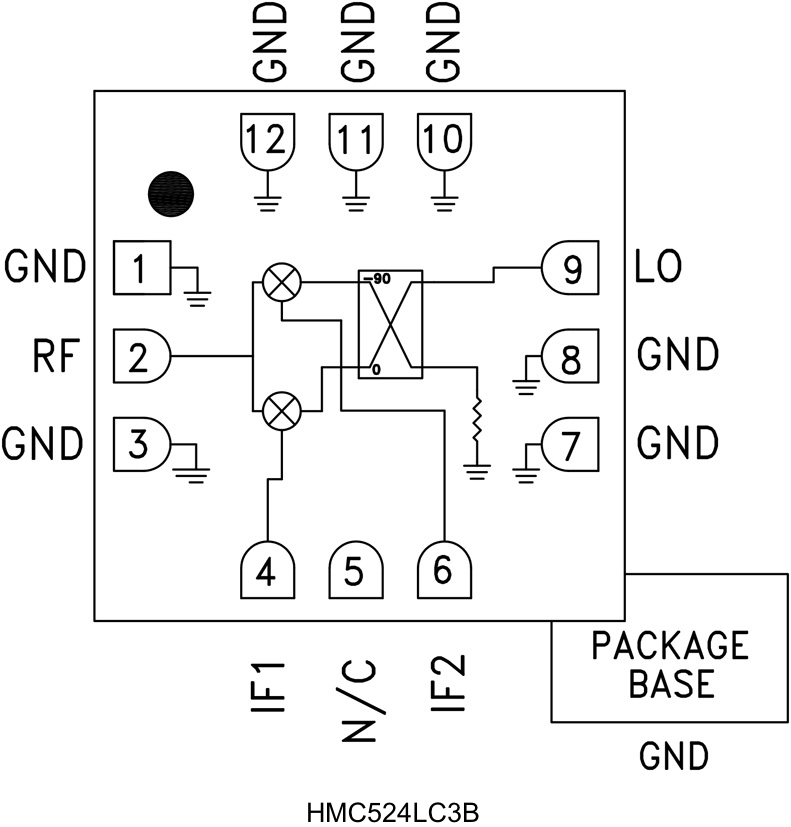
The HMC524 devices are compact I/Q MMIC mixers that are available in a chip (HMC524) or a RoHS compliant SMT package (HMC524LC3B), both of which can be used as either an IRM or a single sideband (SSB) upconverter. The mixers utilize two standard Hittite double balanced mixer cells and a 90° hybrid fabricated in a GaAs metal semiconductor field effect transistor (MESFET) process. A low frequency quadrature hybrid was used to produce a 100 MHz USB IF output. These products are much smaller alternatives to hybrid style IRMs and SSB upconverter assemblies. All data shown for the HMC524 is taken with the chip mounted in a 50 Ω test fixture and includes the effects of 1 mil diameter × 20 mil length bond wires on each port. The HMC524LC3B eliminates the need for wire bonding allowing use of surface mount manufacturing techniques.

Applications

  • Point-to-point radios 
  • Point-to-multipoint radios
  • Very small aperture terminal (VSAT)
  • Test equipment and sensors 
  • Military end use


Suggested Replacement Parts

HMC524A RECOMMENDED FOR NEW DESIGNS

22 GHz to 32 GHz, GaAs, MMIC, I/Q Mixer

HMC524
HMC524 / HMC524LC3B

GaAs monolithic microwave integrated circuit (MMIC) I/Q mixer, image reject mixer (IRM) chip and surface mount technology (SMT), 22 GHz to 32 GHz

HMC524_fbl HMC524LC3B_fbl
Add to myAnalog

Add product to the Products section of myAnalog (to receive notifications), to an existing project or to a new project.

Create New Project
Ask a Question

Documentation

Data Sheet 1

Obsolete Data Sheet 1

Data Sheet

This is the most up-to-date revision of the Data Sheet.

Learn More
Add to myAnalog

Add media to the Resources section of myAnalog, to an existing project or to a new project.

Create New Project

Software Resources

Can't find the software or driver you need?

Request a Driver/Software

Hardware Ecosystem

Parts Product Life Cycle Description
HMC524A RECOMMENDED FOR NEW DESIGNS 22 GHz to 32 GHz, GaAs, MMIC, I/Q Mixer
Modal heading
Add to myAnalog

Add product to the Products section of myAnalog (to receive notifications), to an existing project or to a new project.

Create New Project

Tools & Simulations

S-Parameter 1


Evaluation Kits

EVAL-HMC524LC3B
HMC524LC3B Evaluation Board.

Latest Discussions

Recently Viewed