HMC496

Obsolete

SiGe Direct Modulator, 4 - 7 GHz

Viewing:

Overview

  • Wideband RF Frequency Range
  • High Carrier Suppression: 34 dBc
  • Very Low Noise Floor: -157 dBm/Hz
  • Low LO Power: -3 to +6 dBm
  • Differential or Single Ended LO Drive
  • Single Low Current Supply: +3V@ 93 mA
  • 3x3 mm QFN SMT Plastic Package

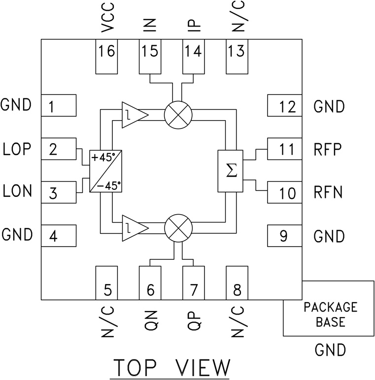
The HMC496LP3(E) is a low noise Wideband Direct Quadrature Modulator RFIC which are ideal for digital modulation applications from 4 - 7 GHz including; WLL, U-NII, WLAN & microwave radios. Housed in a compact 3x3 mm (LP3) SMT QFN package, the RFIC requires minimal external components & provides a low cost alternative to more complicated double upconversion architectures.

The RF output port is matched to 50 Ohms with no external components. The LO requires -3 to +6 dBm and can be driven in either differential or single-ended mode while the Baseband inputs will support modulation inputs from DC - 250 MHz typical. This device is optimized for a supply voltage of +3V @ 93 mA and will provide stable performance over a +2.7V to +3.3V range.

Applications

  • Fixed Wireless or WLL 
  • U-NII Radios 
  • 802.11a & HiperLAN WLAN 
  • C-band Microwave Radios

Suggested Replacement Parts

ADL5375 PRODUCTION

400 MHz TO 6 GHz Broadband Quadrature Modulator

HMC496
SiGe Direct Modulator, 4 - 7 GHz
hmc496lp3_fbl
Add to myAnalog

Add product to the Products section of myAnalog (to receive notifications), to an existing project or to a new project.

Create New Project
Ask a Question

Documentation

Technical Articles 1

Obsolete Data Sheet 1

Data Sheet

This is the most up-to-date revision of the Data Sheet.

Learn More
Add to myAnalog

Add media to the Resources section of myAnalog, to an existing project or to a new project.

Create New Project

Software Resources

Can't find the software or driver you need?

Request a Driver/Software

Hardware Ecosystem

Parts Product Life Cycle Description
HMC1097 LAST TIME BUY Wideband Direct Quadrature Modulator, 100 - 6000 MHz
ADL5375 PRODUCTION 400 MHz TO 6 GHz Broadband Quadrature Modulator
Modal heading
Add to myAnalog

Add product to the Products section of myAnalog (to receive notifications), to an existing project or to a new project.

Create New Project

Latest Discussions

Recently Viewed