HMC425

Obsolete

HMC425 / HMC425LP3

0.5 dB LSB, 6-Bit Digital Attenuator Chip or SMT, 2.2 GHz or 2.4 GHz to 8.0 GHz

Viewing:

Overview

  • 0.5 dB LSB steps to 31.5 dB
  • Single control line per bit
  • ±0.5 dB typical bit error
  • Single +5 V supply
  • Die size: 0.85 × 1.5 × 0.1 mm
  • 3 × 3 mm, surface-mount technology (SMT) package

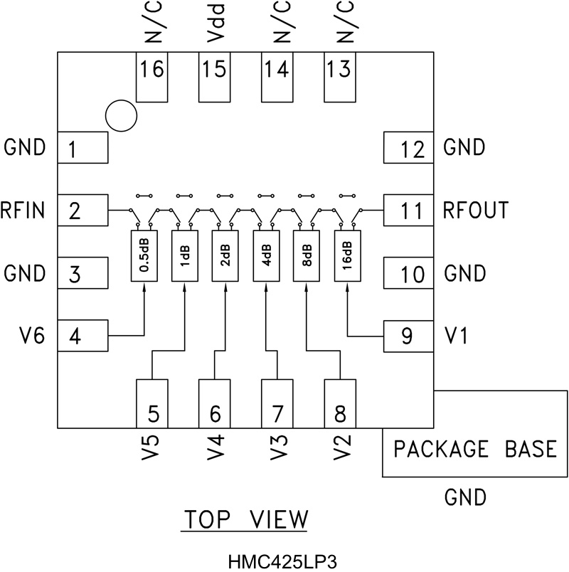
The HMC425 devices are broadband, 6-bit, GaAs, IC digital attenuators available in a low cost, leadless, surface-mount package or in a monolithic microwave integrated circuit (MMIC) chip. Covering 2.2 GHz or 2.4 GHz to 8.0 GHz, the insertion loss is less than 3.5 dB or 3.8 dB typical. The attenuator bit values are 0.5 (LSB), 1, 2, 4, 8, and 16 dB for a total attenuation of 31.5 dB. Attenuation accuracy is excellent at ±0.5 dB typical step error with an IIP3 of +40 dBm. Six control voltage inputs, toggled between 0 V and +3 V or +5 V, are used to select each attenuation state. A single VDD bias of +3 V to + 5 V is required.

Applications

  • Fiber optics and broadband telecom
  • Microwave radio and VSAT
  • Military radios, radar, and ECM
  • WLAN and point-to-multipoint
  • Space applications

HMC425
HMC425 / HMC425LP3

0.5 dB LSB, 6-Bit Digital Attenuator Chip or SMT, 2.2 GHz or 2.4 GHz to 8.0 GHz

HMC425_fbl HMC425LP3_fbl
Add to myAnalog

Add product to the Products section of myAnalog (to receive notifications), to an existing project or to a new project.

Create New Project
Ask a Question

Documentation

Data Sheet 2

Data Sheet

This is the most up-to-date revision of the Data Sheet.

Learn More
Add to myAnalog

Add media to the Resources section of myAnalog, to an existing project or to a new project.

Create New Project

Software Resources

Can't find the software or driver you need?

Request a Driver/Software

Hardware Ecosystem

Parts Product Life Cycle Description
HMC425A RECOMMENDED FOR NEW DESIGNS 0.5 dB LSB GaAs MMIC 6-BIT DIGITAL POSITIVE CONTROL ATTENUATOR, 2.2 - 8.0 GHz
HMC424ALP3E 0.1 GHz to 13.0 GHz, 0.5 dB LSB, 6-Bit, GaAs Digital Attenuator
Modal heading
Add to myAnalog

Add product to the Products section of myAnalog (to receive notifications), to an existing project or to a new project.

Create New Project

Tools & Simulations


Evaluation Kits

EVAL-HMC425LP3
HMC425LP3 Evaluation Board.

Latest Discussions

Recently Viewed