HMC424

Obsolete

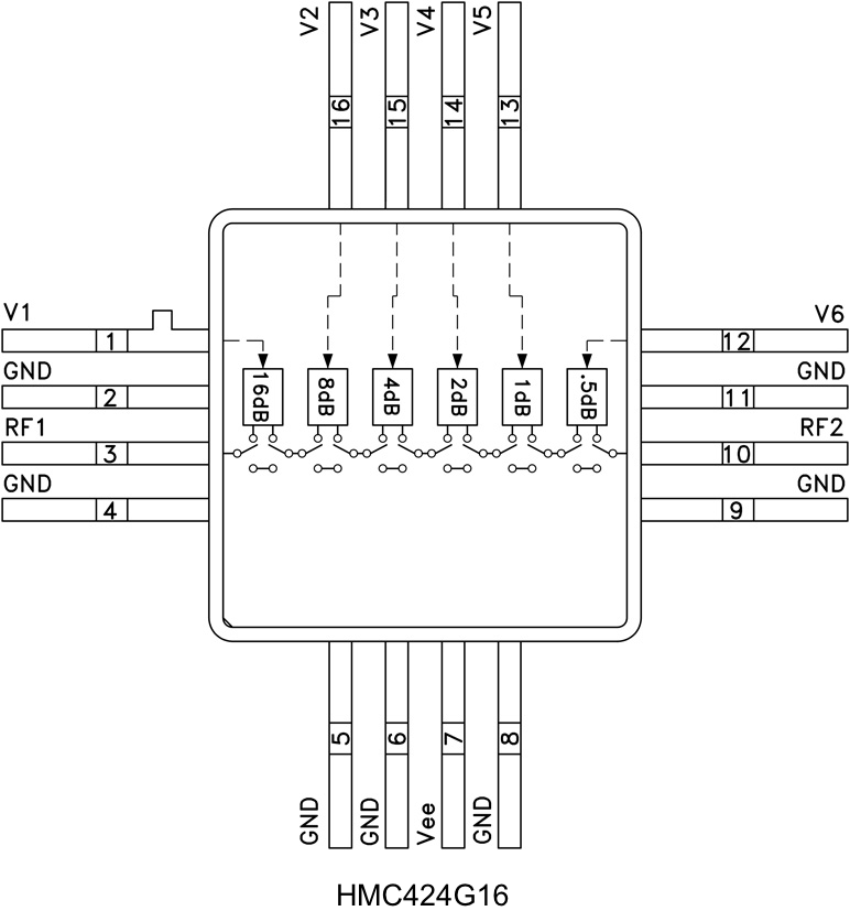
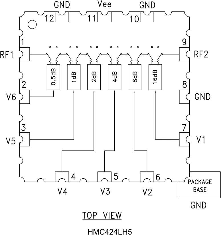
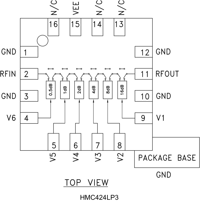
HMC424 / HMC424G16 / HMC424LH5 / HMC424LP3

0.5 dB LSB, 6-Bit Digital Attenuator Chip, Hermetic SMT, or SMT, DC to 3 GHz or 13 GHz

Viewing:

Overview

  • 0.5 dB LSB steps to 31.5 dB
  • Single control line per bit
  • ± 3 dB or ±5 dB typical bit error
  • Die size: 0.85 × 1.45 × 0.1 mm
  • 16-lead, 5 × 5 mm, hermetic, surface-mount technology (SMT) package
  • Screening to MIL-PRF-38535 (Class B or Class S) available

The HMC424 devices are broadband, 6-bit, GaAs, monolithic microwave integrated circuit (MMIC), digital attenuators housed in either a chip, a 16-lead, glass/metal (hermetic) surface-mount package, or a hermetic, surface-mount, leadless package. Covering dc to 3 GHz or dc to 13 GHz, the insertion loss is less than 3 dB, 3.5 dB, or 4 dB typical. The attenuator bit values are 0.5 (LSB), 1, 2, 4, 8, and 16 dB for a total attenuation of 31.5 dB. Attenuation accuracy is excellent at ±0.5 dB typical step error with an IIP3 of +32 dBm. Six control voltage inputs, toggled between 0 V and −5 V, are used to select each attenuation state. A single VEE bias of −5 V allows operation at frequencies down to dc. The digital attenuator hermetic SMT is compatible with standard and lead-free surface-mount manufacturing techniques and is suitable for high reliability military, industrial, and space applications.

Applications

  • Fiber optics and broadband telecom
  • Telecom infrastructure
  • Microwave radio and VSAT
  • Military radios, radar, and ECM
  • Space applications
  • Test instrumentation

 

HMC424
HMC424 / HMC424G16 / HMC424LH5 / HMC424LP3

0.5 dB LSB, 6-Bit Digital Attenuator Chip, Hermetic SMT, or SMT, DC to 3 GHz or 13 GHz

HMC424_fbl HMC424G16_fbl HMC424LH5_fbl HMC424LP3_fbl
Add to myAnalog

Add product to the Products section of myAnalog (to receive notifications), to an existing project or to a new project.

Create New Project
Ask a Question

Documentation

Data Sheet

This is the most up-to-date revision of the Data Sheet.

Learn More
Add to myAnalog

Add media to the Resources section of myAnalog, to an existing project or to a new project.

Create New Project

Software Resources

Can't find the software or driver you need?

Request a Driver/Software

Hardware Ecosystem

Parts Product Life Cycle Description
HMC424ALP3E 0.1 GHz to 13.0 GHz, 0.5 dB LSB, 6-Bit, GaAs Digital Attenuator
Modal heading
Add to myAnalog

Add product to the Products section of myAnalog (to receive notifications), to an existing project or to a new project.

Create New Project

Tools & Simulations


Evaluation Kits

EVAL-HMC424LP3
HMC424LP3 Evaluation Board
EVAL-HMC424LH5
HMC424LH5 Evaluation Board
EVAL-HMC424G16
HMC424G16 Evaluation Board

Latest Discussions

Recently Viewed