HMC368

RECOMMENDED FOR NEW DESIGNS

x2 Active Multiplier SMT, 9 - 16 GHz FOUT

Viewing:

Overview

  • Output Power: +15 dBm
  • Wide Input Power Range: 0 to +10 dBm
  • 100 kHz SSB Phase Noise: −140 dBc/Hz
  • +5V @ 75 mA Supply
  • 16 mm2 Leadless QFN SMT Package

The HMC368LP4(E) is a miniature amp-doubler-amps utilizing GaAs PHEMT technology in 4 × 4 mm leadless surface mount package. When driven by a +2 dBm signal, the multiplier provides +15 dBm typical output power from 9 to 16 GHz. The Fo and the 3Fo isolations are 18 dB typical. The low additive SSB phase noise of −140 dBc/Hz at 100 kHz offset helps the user maintain good system noise performance. The HMC368LP4(E) is ideal for use in LO multiplier chains allowing reduced parts count vs. traditional approaches.

APPLICATIONS

  • Microwave Radios & VSAT
  • Fiber Optic Infrastructure
  • Military Communications & Radar

HMC368
x2 Active Multiplier SMT, 9 - 16 GHz FOUT
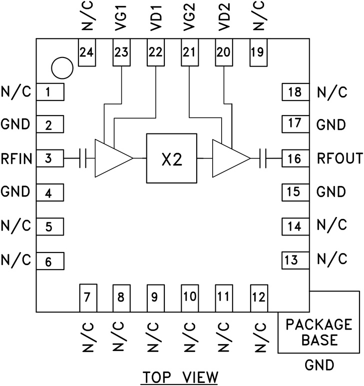
HMC368 Functional Block Diagram
Add to myAnalog

Add product to the Products section of myAnalog (to receive notifications), to an existing project or to a new project.

Create New Project
Ask a Question

Documentation

Data Sheet 1

Data Sheet

This is the most up-to-date revision of the Data Sheet.

Learn More
Add to myAnalog

Add media to the Resources section of myAnalog, to an existing project or to a new project.

Create New Project

Software Resources

Can't find the software or driver you need?

Request a Driver/Software

Evaluation Kits

eval board
EVAL-HMC368LP4

HMC368LP4 Evaluation Board.

Product Details

This page contains ordering information for evaluating the HMC368LP4.

The Design Files link includes the BOM, schematics, and Gerber files for the evaluation board.

EVAL-HMC368LP4
HMC368LP4 Evaluation Board.
HMC368 Evaluation Board HMC368 Evaluation Board - Top View HMC368 Evaluation Board - Bottom View

Latest Discussions

Recently Viewed