HMC260A-Die

PRODUCTION

10 GHz to 26 GHz, GaAs MMIC Fundamental Mixer

Viewing:

Overview

  • Downconverter
    • Conversion loss
      • 7.5 dB (typical) for 10 GHz to 18 GHz
      • 8.5 dB (typical) for 18 GHz to 26 GHz
    • LO to RF isolation: 40 dB (typical)
    • LO to IF isolation
      • 34 dB (typical) for 10 GHz to 18 GHz
      • 37 dB (typical) for 18 GHz to 26 GHz
    • RF to IF isolation
      • 20 dB (typical) for 10 GHz to 18 GHz
      • 31 dB (typical) for 18 GHz to 26 GHz
    • Input third-order intercept (IP3):
      • 18 dBm (typical) for 10 GHz to 18 GHz
      • 22 dBm (typical) for 18 GHz to 26 GHz
    • Input power for 1 dB compression (P1dB)
      • 9.5 dB (typical) for 10 GHz to 18 GHz
      • 12 dB (typical) for 18 GHz to 26 GHz
  • IF bandwidth: dc to 8 GHz
  • Passive: no dc bias required
  • Small size: 0.94 mm × 0.59 mm × 0.102 mm
 

The HMC260A is a general-purpose, double balanced mixer chip that can be used as an upconverter or downconverter from 10 GHz to 26 GHz. This miniature monolithic mixer (MMIC) requires no external components or matching circuitry.

The HMC260A provides excellent LO to RF and LO to IF suppression due to optimized balun structures. The mixer operates well with LO drive levels of 13 dBm or above. The HMC260A is also available in SMT format as the HMC260ALC3B.

Applications

  • Point to point radios
  • Point to multipoint radios and very small aperture terminals (VSATs)
  • Test equipment and sensors
  • Military end use

HMC260A-Die
10 GHz to 26 GHz, GaAs MMIC Fundamental Mixer
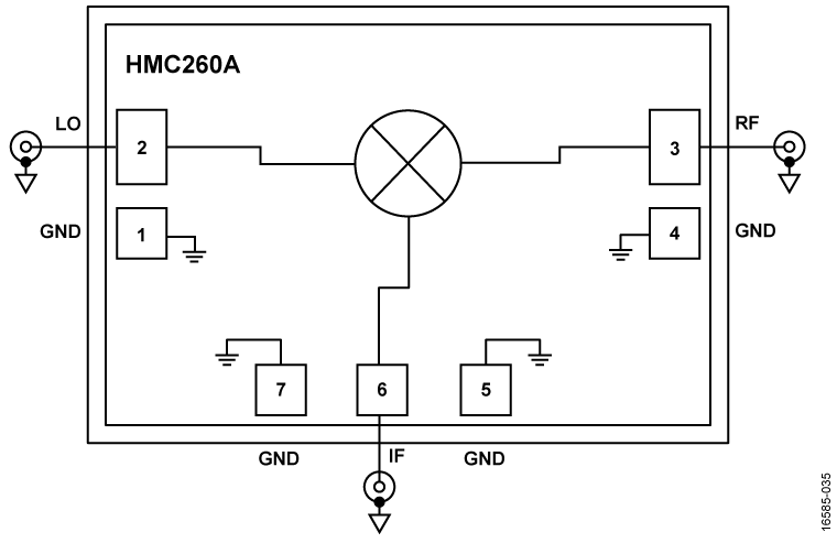
HMC260A Functional Block Diagram HMC260A Pin Configuration HMC260A Circuit Diagram
Add to myAnalog

Add product to the Products section of myAnalog (to receive notifications), to an existing project or to a new project.

Create New Project
Ask a Question

Documentation

Learn More
Add to myAnalog

Add media to the Resources section of myAnalog, to an existing project or to a new project.

Create New Project

Software Resources

Can't find the software or driver you need?

Request a Driver/Software

Tools & Simulations

ADIsimRF

ADIsimRF is an easy-to-use RF signal chain calculator. Cascaded gain, noise, distortion and power consumption can be calculated, plotted and exported for signal chains with up to 50 stages. ADIsimRF also includes an extensive data base of device models for ADI’s RF and mixed signal components.

Open Tool

Latest Discussions

No discussions on HMC260A-DIE yet. Have something to say?

Start a Discussion on EngineerZone®

Recently Viewed