HMC-C044

LAST TIME BUY

I/Q Mixer / IRM Module, 15 - 23 GHz

Viewing:

Overview

  • Wide IF Bandwidth: DC - 3.5 GHz
  • Image Rejection: 30 dB
  • LO to RF Isolation: 35 dB
  • High Input IP3: +25 dBm
  • Hermetically Sealed Module
  • Field Replaceable Coaxial Connectors
  • -55 to +85°C Operating Temperature

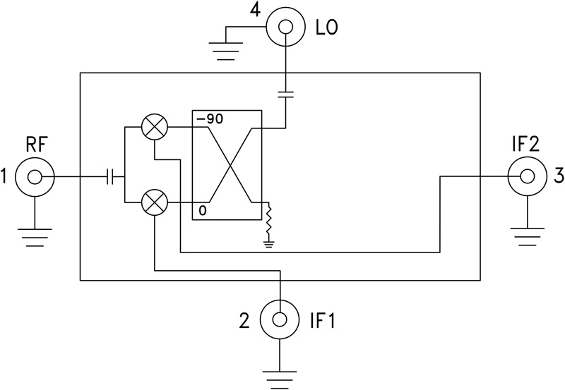
The HMC-C044 is a passive I/Q MMIC mixer housed in a miniature hermetic module which can be used as either an Image Reject Mixer of a Single Sideband Upconverter. the module utilizes two standard Hittite double balance mixer cells and a 90 degree hybrid fabricated on a GaAs MESFET process.

A low frequency quadrature hybrid was used to produce a 100 MHz USB IF output. The MMIC based module is a more reliable and consistent alternative to hybrid style I/Q Mixers and Single Sideband Converter assemblies. The module features removable SMA connectors which can be detached to allow direct connection of the I/O pins to a microstrip or coplanar circuit.

APPLICATIONS

  • Point-to-Point Radios
  • Point-to-Multi-Point Radios & VSAT
  • Test Equipment & Sensors
  • Military End-Use

HMC-C044
I/Q Mixer / IRM Module, 15 - 23 GHz
HMC-C044 Functional Block Diagram
Add to myAnalog

Add product to the Products section of myAnalog (to receive notifications), to an existing project or to a new project.

Create New Project
Ask a Question

Documentation

Data Sheet 1

Data Sheet

This is the most up-to-date revision of the Data Sheet.

Learn More
Add to myAnalog

Add media to the Resources section of myAnalog, to an existing project or to a new project.

Create New Project

Software Resources

Can't find the software or driver you need?

Request a Driver/Software

Latest Discussions

No discussions on HMC-C044 yet. Have something to say?

Start a Discussion on EngineerZone®

Recently Viewed