HMC-C011

PRODUCTION

Hi Isolaton SPDT Switch Module, DC - 20 GHz

Viewing:

Overview

  • High Isolation: >45 dB up to 5 GHz
    <35 dB up to 20 GHz
  • Low Insertion Loss: 2 dB @ 12 GHz
    2.5 dB @ 16 GHz
  • Fast Switching
  • Non-Reflective Design
  • Hermetically Sealed Module
  • Field Replaceable SMA Connectors
  • −55 to +85°C Operating Temperature

The HMC-C011 is a general purpose broadband high isolation non-reflective GaAs MESFET SPDT switch housed in a miniature hermetic module with field replaceable SMA connectors. Covering DC to 20 GHz, the switch offers high isolation and low insertion loss. The switch features >45 dB isolation up to 5 GHz and >35 dB isolation up to 20 GHz. CMOS interface allows a single positive +5V bias voltage at very low DC currents.

APPLICATIONS

  • Basestation Infrastructure
  • Fiber Optics & Broadband Telecom
  • Microwave Radio & VSAT
  • Military Radios, Radar, & ECM
  • Test Instrumentation

HMC-C011
Hi Isolaton SPDT Switch Module, DC - 20 GHz
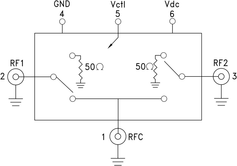
HMC-C011 Functional Block Diagram
Add to myAnalog

Add product to the Products section of myAnalog (to receive notifications), to an existing project or to a new project.

Create New Project
Ask a Question

Documentation

Data Sheet

This is the most up-to-date revision of the Data Sheet.

Learn More
Add to myAnalog

Add media to the Resources section of myAnalog, to an existing project or to a new project.

Create New Project

Software Resources

Can't find the software or driver you need?

Request a Driver/Software

Tools & Simulations

Latest Discussions

No discussions on HMC-C011 yet. Have something to say?

Start a Discussion on EngineerZone®

Recently Viewed