DS21458

Obsolete

Quad T1/E1/J1 Transceivers

Industry's First 4-Port Transceivers to Switch Among All T1, E1, and J1 Standards without External Component Changes

Viewing:

Overview

Four Independent Transceivers, Each Having the Following Features:
  • Complete T1 (DS1)/ISDN-PRI/J1 Transceiver Functionality
  • Complete E1 (CEPT) PCM-30/ISDN-PRI Transceiver Functionality
  • Short- and Long-Haul Line Interface for Clock/Data Recovery and Waveshaping
  • CMI Coder/Decoder
  • Crystal-Less Jitter Attenuator
  • Fully Independent Transmit and Receive Functionality
  • Dual HDLC Controllers
  • On-Chip Programmable BERT Generator and Detector
  • Internal Software-Selectable Receive- and Transmit-Side Termination Resistors for 75Ω/100Ω/120Ω T1 and E1 Interfaces
  • Dual Two-Frame Elastic-Store Slip Buffers that can Connect to Asynchronous Backplanes Up to 16.384MHz
  • 16.384MHz, 8.192MHz, 4.096MHz, or 2.048MHz Clock Output Synthesized to Recovered Network Clock
  • Programmable Output Clocks for Fractional T1, E1, H0, and H12 Applications
  • Interleaving PCM Bus Operation
  • 8-Bit Parallel Control Port, Multiplexed or Nonmultiplexed, Intel or Motorola
  • IEEE 1149.1 JTAG-Boundary Scan
  • 3.3V Supply with 5V Tolerant Inputs and Outputs
  • DS21455 Directly Replaces DS21Q55
  • Signaling System 7 (SS7) Support
  • RAI-CI, AIS-CI Support

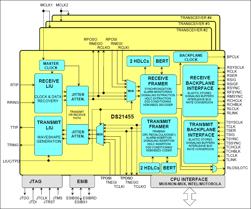
The DS21455 and DS21458 are quad monolithic devices featuring independent transceivers that can be software configured for T1, E1, or J1 operation. Each is composed of a line interface unit (LIU), framer, HDLC controllers, and a TDM backplane interface, and is controlled via an 8-bit parallel port configured for Intel or Motorola bus operations. The DS21455* is a direct replacement for the older DS21Q55 quad MCM device. The DS21458, in a smaller package (17mm CSBGA) and featuring an improved controller interface, is software compatible with the older DS21Q55.

*The JTAG function on the DS21455/DS21458 is a single controller for all four transceivers, unlike the DS21Q55, which has a JTAG controller-per-transceiver architecture.

Applications

  • Channel Banks
  • Channel Service Units (CSUs)
  • Data Service Units (DSUs)
  • Muxes
  • Routers
  • Switches
  • T1/E1 Test Equipment

DS21458
Quad T1/E1/J1 Transceivers
DS21455: Block Diagram
Add to myAnalog

Add product to the Products section of myAnalog (to receive notifications), to an existing project or to a new project.

Create New Project
Ask a Question

Documentation

Learn More
Add to myAnalog

Add media to the Resources section of myAnalog, to an existing project or to a new project.

Create New Project

Hardware Ecosystem

Parts Product Life Cycle Description
Interface Transceivers & Isolators 4
DS21455 Obsolete Quad T1/E1/J1 Transceivers
DS21Q55 Quad T1/E1/J1 Transceiver
DS21Q59 NOT RECOMMENDED FOR NEW DESIGNS E1 Quad Transceiver
DS21Q50 LAST TIME BUY Quad E1 Transceiver
Modal heading
Add to myAnalog

Add product to the Products section of myAnalog (to receive notifications), to an existing project or to a new project.

Create New Project

Tools & Simulations

BSDL Model File 1

IBIS Model 1


Evaluation Kits

DS21458DK

Design Kit for the DS21458 Quad T1/E1/J1 Transceiver Daughter Card

Features and Benefits

  • Demonstrates Key Functions of DS21458 Quad T1/E1/J1 Transceiver
  • Includes DS21458 Quad LIU, Transformers, BNC and RJ45 Network Connectors, and Termination Passives
  • Compatible with DK101 and DK2000 Demo Kit Motherboards
  • DK101/DK2000 and ChipView Software Provide Point-and-Click Access to the DS21458 Register Set
  • All Equipment-Side Framer Pins are Easily Accessible for External Data Source/Sink
  • Memory-Mapped FPGA Provides Flexible Clock/Data/Sync Connections Among Framer Ports and DK2000 Motherboard
  • LEDs for Loss-of-Signal and Interrupt Status
  • Easy-to-Read Silk Screen Labels Identify the Signals Associated with all Connectors, Jumpers, and LEDs
  • Network Interface Protection for Overvoltage and Overcurrent Events

Product Details

The DS21458DK is an easy-to-use evaluation board for the DS21458 quad T1/E1/J1 transceiver. The DS21458DK is intended to be used as a daughter card with the DK101 motherboard or the DK2000 motherboard. The DS21458DK comes complete with a DS21458 quad SCT, transformers, termination resistors, configuration switches, line-protection circuitry, network connectors, and motherboard connectors. The DK101/DK2000 motherboard and Dallas' ChipView software give point-and-click access to configuration and status registers from a Windows®-based PC. On-board LEDs indicate receive loss-of-signal and interrupt status. An on-board FPGA contains mux logic to connect framer ports to one another or to the DK2000 in a variety of configurations.

Each DS21458DK is shipped with a free DK101 motherboard. For complex applications, the DK2000 high-performance demo kit motherboard can be purchased separately.

DS21458DK
Design Kit for the DS21458 Quad T1/E1/J1 Transceiver Daughter Card

Latest Discussions

No discussions on DS21458 yet. Have something to say?

Start a Discussion on EngineerZone®

Recently Viewed