DAC8800
PRODUCTIONOctal 8-Bit D/A Converter
- Part Models
- 3
- 1ku List Price
- Starting From $21.84
Overview
- ±1/2 LSB Total Unadjusted Error
- 2µs Settling time
- Serial Data Input
- ±Full-Scale Output set by VREFH and VREFL
- Unipolar and Bipolar Operation
- TTL Input Compatible
- 20-Pin DIP or SOL Package
- Low Cost
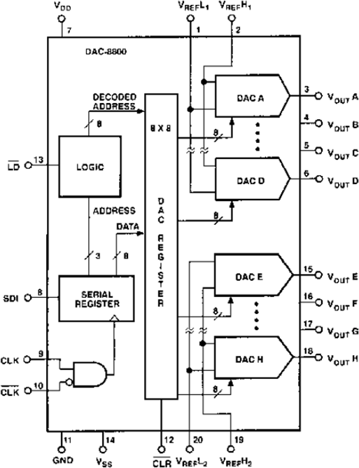
The DAC-8800 Trim DAC™ is designed to be a general purpose digitally controlled voltage adjustment device. The output voltage range can be independently set for each set of four D/A converters. In addition, both unipolar and bipolar output voltage ranges are easy to establish by external reference input high and low terminals. The digitally-programed output voltages are ideal for op amp trimming, voltage-controlled amplifier gain setting and any general purpose trimming tasks.
A three-wire serial digital interface loads the contents of eight internal DAC registers which establish the output voltage levels. An asynchronous Clear (CLR) input places all DACs in a zero code output condition, very handy for system power-up. An internal regulator provides TTl input compatibility over a wide range of VDD supply voltages. Single supply operation is available by connecting VSS to GND.
Documentation
Data Sheet 1
Application Note 2
Solutions Bulletin & Brochure 1
ADI has always placed the highest emphasis on delivering products that meet the maximum levels of quality and reliability. We achieve this by incorporating quality and reliability checks in every scope of product and process design, and in the manufacturing process as well. "Zero defects" for shipped products is always our goal. View our quality and reliability program and certifications for more information.
| Part Model | Pin/Package Drawing | Documentation | CAD Symbols, Footprints, and 3D Models |
|---|---|---|---|
| DAC8800BR/883C | 20-Lead CerDIP | ||
| DAC8800FPZ | 20-Lead PDIP | ||
| DAC8800FSZ-REEL | 20-Lead SOIC (Wide) |
| Part Models | Product Lifecycle | PCN |
|---|---|---|
|
Apr 9, 2018 - 16_0026 Qualify TeamQuest Technology, Inc. for Burn-in and Life Test of Military and Aerospace Devices |
||
| DAC8800BR/883C | ||
|
Nov 7, 2012 - 12_0199 Qualification of New Conductive Silver-Filled Glass Die Attach Adhesive for Cerdip and Ceramic Flatpack (Cerpack) Packages. |
||
| DAC8800BR/883C | ||
|
Jun 6, 2012 - 12_0066 Add capacity for Burn In of Hermetic, 883 & QMLQ/Class B devices at TSSI Cavite |
||
| DAC8800BR/883C | ||
|
Nov 9, 2011 - 11_0050 Transfer of ADI Hermetics Assembly location from Paranaque, Manila to General Trias, Cavite Philippines |
||
| DAC8800BR/883C | ||
|
Nov 9, 2011 - 11_0182 Test Site Transfer from Analog Devices Philippines Inc in Paranaque to Analog Devices General Trias in Cavite, Philippines |
||
| DAC8800BR/883C | ||
| DAC8800FPZ | PRODUCTION | |
| DAC8800FSZ-REEL | PRODUCTION | |
|
Jul 31, 2009 - 09_0106 Removal of Die Fab Code from Topside Marking of Remaining Mil-Grade Products |
||
| DAC8800BR/883C | ||
|
Mar 7, 2019 - 19_0046 Assembly Transfer of 18,20,24,28 Lead PDIP to Cirtek |
||
| DAC8800FPZ | PRODUCTION | |
|
Aug 19, 2009 - 07_0024 Package Material Changes for SOT23, MiniSO, MQFP, PDIP, PLCC, SOIC (narrow and wide body), SSOP, TSSOP and TSSOP exposed pad |
||
| DAC8800FPZ | PRODUCTION | |
|
Aug 4, 2010 - 10_0117 Halogen Free Material Change for SOIC_W Products at Carsem |
||
| DAC8800FSZ-REEL | PRODUCTION | |
This is the most up-to-date revision of the Data Sheet.
Software Resources
Can't find the software or driver you need?
Request a Driver/SoftwareTools & Simulations
Precision DAC Error Budget Tool
The Precision DAC Error Budget Tool is a web application that calculates the DC Accuracy of precision DAC signal chains. It shows how the static errors accumulate throughout your signal chain to quickly evaluate the design tradeoffs. Calculations include the DC errors introduced by Voltage References, Operation Amplifiers and Precision DACs.
Open Tool