Quantic X-Microwave

Analog Devices RF and microwave components are available as drop-in X-MWblocks®
from Quantic X-Microwave.

Get the X-MWblock® drop-in module for this part.

ADMV8416

RECOMMENDED FOR NEW DESIGNS

6.3 GHz to 18 GHz, Tunable Band-Pass Filter

Viewing:

Overview

  • Amplitude settling: 200 ns typical
  • Wideband rejection: ≥20 dB
  • Single chip implementation
  • 40-lead, 6 mm × 6 mm, RoHS compliant LFCSP

The ADMV8416 is a monolithic microwave integrated circuit (MMIC), tunable band-pass filter that features a user selectable pass-band frequency. The 3 dB filter bandwidth is approximately 15% of the center frequency (fCENTER), and the 20 dB filter bandwidth is 37%. Additionally, fCENTER can be varied between 6.8 GHz to 16.8 GHz by applying an analog fCENTER tuning voltage between 0 V to 15 V. The usable pass band corner frequencies (fCORNER) span from 6.3 GHz to 18 GHz. This tunable filter can be used as a much smaller alternative to large switched filter banks and cavity tuned filters. The filter has excellent microphonics due to the monolithic design and provides a dynamically adjustable solution.

Applications

  • Test and measurement equipment
  • Military radar and electronic warfare (EW) systems
  • Video satellite (VSAT) communications

ADMV8416
6.3 GHz to 18 GHz, Tunable Band-Pass Filter
ADMV8416 Functional Block Diagram ADMV8416 Pin Configuration ADMV8416 Circuit Diagram
Add to myAnalog

Add product to the Products section of myAnalog (to receive notifications), to an existing project or to a new project.

Create New Project
Ask a Question

Documentation

Learn More
Add to myAnalog

Add media to the Resources section of myAnalog, to an existing project or to a new project.

Create New Project

Software Resources

Can't find the software or driver you need?

Request a Driver/Software

Tools & Simulations

S-Parameter Files (S2P)

S-Parameters for RF and Microwave Tunable Filters

Open Tool

Evaluation Kits

eval board
EVAL-ADMV8416

ADMV8416 Evaluation Board 

Features and Benefits

  • Enables quick breadboarding and prototyping
  • User defined circuit configuration
  • End launch 2.4 mm connector provisions
  • Easy connection to test equipment and other circuits

Product Details

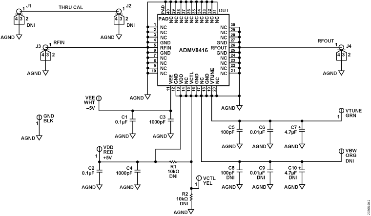
The ADMV8416-EVALZ/ADMV8432-EVALZ evaluation boards aid in the evaluation of the ADMV8416 and ADMV8432 bandpass filters with selectable pass band frequency. 

The ADMV8416-EVALZ/ADMV8432-EVALZ evaluation boards have end launch 2.4 mm connectors on both the input and the output to allow an efficient connection to test equipment and other circuitry.

Optimized power and ground planes ensure low noise and high speed operation. Component placement and power supply bypassing are optimized for maximum circuit flexibility and performance.

All components are placed on the primary side. No components are placed on the secondary side (see Figure 1 and Figure 2). Note that the ADMV8432-EVALZ evaluation board is labeled ADMV8416-EVALZ. The ADMV8416 and ADMV8432 are evaluated using the same printed circuit board (PCB).

The ADMV8416 and ADMV8432 data sheets, available at www.analog.com, provide full specifications for the ADMV8416 and ADMV8432. Consult the ADMV8416 and ADMV8432 data sheets in conjunction with this user guide when using the evaluation boards. 

EVAL-ADMV8416
ADMV8416 Evaluation Board 
ADMV8416-EVALZ-8432-EVALZ Image

Latest Discussions

Recently Viewed