ADM8641

PRODUCTION

Ultralow Power Voltage Detector with Disable Input

Viewing:

Overview

  • Ultralow power consumption with ICC = 92 nA (typical)
  • Precision, low voltage monitoring
  • Pretrimmed voltage monitoring threshold options
    • 10 options from 2 V to 4.63 V
  • ±1.3% threshold accuracy over full temperature range
  • Output disable input
  • 23 µs to 26 µs typical propagation delay
  • Open-drain type output
  • Power supply glitch immunity
  • Available in a 1.46 mm × 0.96 mm WLCSP
  • Operational temperature range: −40°C to +85°C

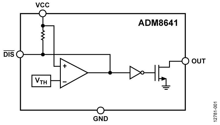
The ADM8641 and ADM8642 are simple voltage detectors suitable for use in general-purpose applications. The ultralow power consumption of these devices makes them suitable for power efficiency sensitive systems, such as battery-powered portable devices and energy meters.

The factory preset detection thresholds from 0.5 V to 4.63 V with ±1.2% accuracy over the full temperature range enable the devices to monitor the node of interest accurately with direct contact. The DIS input lets the user hold the output low regardless of the state of the input. Not all device options are released for sale as standard models. See the Ordering Guide section for full information.

The ADM8641 monitors the voltage using the VCC pin. The separate supply pin on the ADM8642 allows it to have a lower detection threshold down to 0.5 V.

The ADM8641 and ADM8642 are available in a 6-ball, 1.46 mm × 0.96 mm WLCSP. These devices are specified over the −40°C to +85°C temperature range.

Applications

  • Portable/battery-operated equipment
  • Microprocessor systems
  • Energy metering
  • Energy harvesting

ADM8641
Ultralow Power Voltage Detector with Disable Input
ADM8641 Functional Block Diagram ADM8641 Pin Diagram
Add to myAnalog

Add product to the Products section of myAnalog (to receive notifications), to an existing project or to a new project.

Create New Project
Ask a Question

Documentation

Learn More
Add to myAnalog

Add media to the Resources section of myAnalog, to an existing project or to a new project.

Create New Project

Software Resources

Can't find the software or driver you need?

Request a Driver/Software

Evaluation Kits

eval board
ADM8641-EVALZ/ADM8642-EVALZ

Evaluation Board for the ADM8641 and ADM8642, Ultralow Power Voltage Detector

Features and Benefits

  • On-board ADM8641 voltage detector with 2.63 V internal threshold and a ±1.3% accuracy on the ADM8641-EVALZ
  • On-board ADM8642 voltage detector with 1 V internal threshold and a ±1.6% accuracy on the ADM8642-EVALZ
  • Separate voltage supply pin (VCC) and input pin (INPUT) for low voltage monitoring using the ADM8642-EVALZ
  • Built in tact switch for input condition override
  • Built in LED for output monitoring

Product Details

The ADM8641-EVALZ/ADM8642-EVALZ evaluate the ADM8641/ADM8642 ultralow power voltage detectors that have pretrimmed voltage monitoring thresholds of 2.63 V and 1 V, respectively. These thresholds are accurate up to ±1.3% and ±1.6% for the ADM8641-EVALZ and ADM8642-EVALZ, respectively.

The ADM8641-EVALZ VCC pin can be used to monitor the level of an external voltage. The user can place an external jumper on the ADM8642-EVALZ VCC_SEL pin to achieve this monitoring on the ADM8642-EVALZ VCC pin. The user can also use a separate supply for the ADM8642-EVALZ INPUT pin to achieve low voltage monitoring.

The ADM8641-EVALZ/ADM8642-EVALZ have an OUT pin that can be held low regardless of the status of the monitored external voltage by pressing the built in tact switch, which shorts the ADM8641/ADM8642 DIS pin to ground. A built in light emitting diode (LED) is placed at the ADM8641-EVALZ/ADM8642-EVALZ OUT pin to monitor the pin status depending on the level of the monitored external voltage.

For full details on the ADM8641/ADM8642, see the ADM8641/ADM8642 data sheet, which must be consulted in conjunction with this user guide when using the ADM8641-EVALZ/ADM8642-EVALZ.

ADM8641-EVALZ/ADM8642-EVALZ
Evaluation Board for the ADM8641 and ADM8642, Ultralow Power Voltage Detector
ADM8641 Evaluation Board ADM8641 Evaluation Board ADM8641 Evaluation Board ADM8642 Evaluation Board ADM8642 Evaluation Board ADM8642 Evaluation Board

Latest Discussions

Recently Viewed