ADH952AS

RECOMMENDED FOR NEW DESIGNS

Aerospace, GaAs, pHEMT, MMIC, 2 Watt Power Amplifier with Power Detector, 8 GHz to 14 GHz

Viewing:

Overview

  • Psat: + 34.5 dBm @ 26 % PAE
  • High P1dB Output Power: + 34 dBm
  • High Gain: 32 dBm
  • High Output IP3: +43 dBm
  • Supply Voltage: Vdd = +6 V @ 1400 mA
  • 24-Lead 5 mm x 5 mm LFCSP package
  • Screened with guidelines to NASA/EEE-INST-002, Section M4, Level 2 applications.

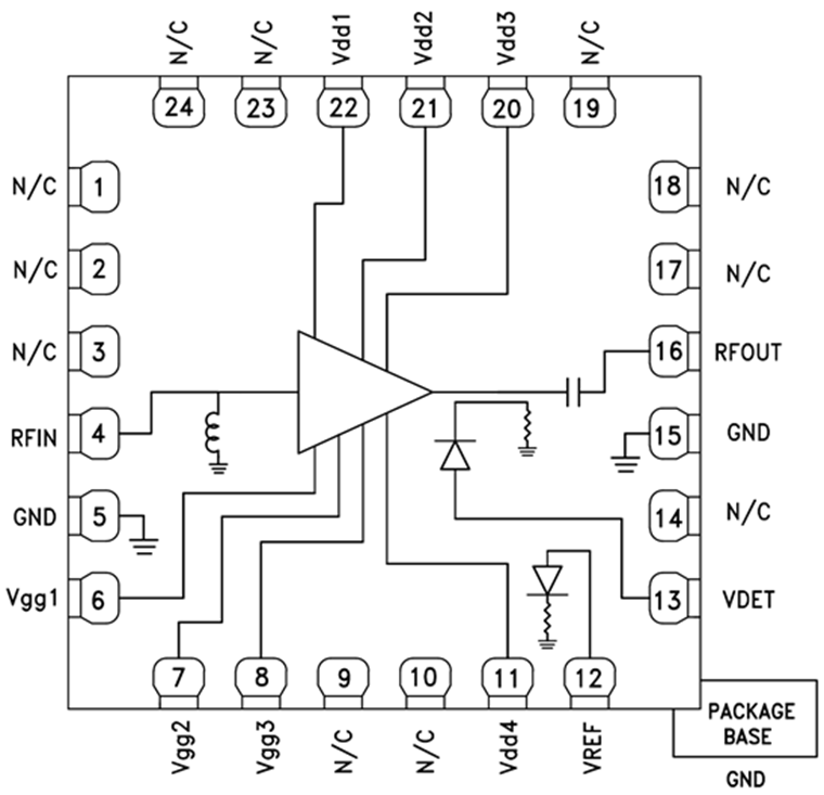
The ADH952AS is a four-stage GaAs, pHEMT, MMIC, Medium Power Amplifier with a temperature compensated on-chip power detector which operates between 8 GHz and 14 GHz. The amplifier provides 32 dB of gain and +34.5 dBm of saturated output power at 26% PAE from a +6 V supply. With up to +43 dBm IP3 the ADH952AS is ideal for linear applications such as point-to-point and point-to-multipoint radios or SATCOM applications demanding +34.5 dBm of efficient saturated output power. The RF I/Os are internally matched to 50 Ohms.

Applications

  • Point-to-Point Radios
  • Point-to-Multipoint Radios
  • SATCOM
  • Military & Space

ADH952AS
Aerospace, GaAs, pHEMT, MMIC, 2 Watt Power Amplifier with Power Detector, 8 GHz to 14 GHz
HMC8825LP5GE SID
Add to myAnalog

Add product to the Products section of myAnalog (to receive notifications), to an existing project or to a new project.

Create New Project
Ask a Question

Documentation

Learn More
Add to myAnalog

Add media to the Resources section of myAnalog, to an existing project or to a new project.

Create New Project

Software Resources

Can't find the software or driver you need?

Request a Driver/Software

Latest Discussions

No discussions on ADH952AS yet. Have something to say?

Start a Discussion on EngineerZone®

Recently Viewed