ADH524AS

Obsolete

Aerospace, GaAs, MMIC, I/Q Mixer, 22 GHz to 32 GHz

Viewing:

Overview

  • Passive: No dc bias required
  • Conversion loss: 9 dB (typical).
  • Image rejection: 20 dB (typical).
  • LO to RF isolation: 35 dB (typical)
  • LO to IF isolation: 25 dB (typical)
  • IP3: 18 dBm (typical)
  • P1dB: 17 dBm (typical)
  • IF frequency: dc – 4.5 GHz
  • Screened with guidelines to MIL-PRF-38535, Class Level S

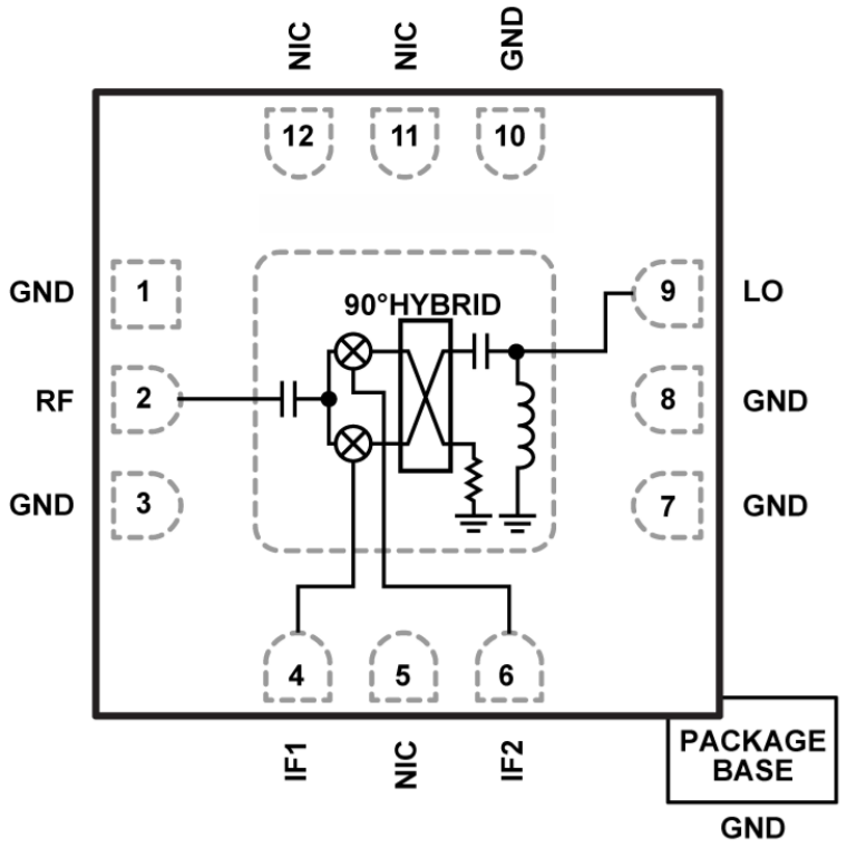
The ADH524AS is a compact gallium arsenide (GaAs), monolithic microwave integrated circuit (MMIC), in phase quadrature (I/Q) mixer in a leadless RoHS compliant surface-mount (SMT) ceramic package. This device can be used as either an image reject mixer or a single-sideband upconverter. The mixer uses two standard, double balanced mixer cells and a 90° hybrid coupler fabricated in a GaAs, metal–semiconductor field effect transistor (MESFET) process. A low frequency quadrature hybrid produces a 100 MHz IF output. This device is a much smaller alternative to hybrid style image reject mixers and single-sideband upconverter assemblies.

Applications

  • Point-to-Point Radios
  • Point-to-Multi-Point Radios
  • VSAT
  • Sensors
  • Military & Space

ADH524AS
Aerospace, GaAs, MMIC, I/Q Mixer, 22 GHz to 32 GHz
HMC8443LC3B SID
Add to myAnalog

Add product to the Products section of myAnalog (to receive notifications), to an existing project or to a new project.

Create New Project
Ask a Question

Documentation

Learn More
Add to myAnalog

Add media to the Resources section of myAnalog, to an existing project or to a new project.

Create New Project

Software Resources

Can't find the software or driver you need?

Request a Driver/Software

Latest Discussions

No discussions on ADH524AS yet. Have something to say?

Start a Discussion on EngineerZone®

Recently Viewed