ADH361S

RECOMMENDED FOR NEW DESIGNS

Space SMT MMIC Divide-By-2, DC to 12 GHz

Viewing:

Overview

  • Ultra-Low SSB Phase Noise: -148 dBc/Hz
  • Wide Bandwidth
  • Output Power: 3 dBm
  • Single DC Supply: +5V
  • 8 Lead Hermetic SMT Package

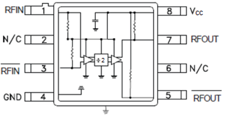
The ADH361S is a low noise N = 2 static divider in an 8-lead glass/metal surface mount (hermetic) package. This device operates from DC (with a square wave input) to 12 GHz input frequency with a single +5V DC supply. The low additive SSB phase noise of -148 dBc/Hz at 100 kHz offset helps the user maintain good system noise performance.

APPLICATIONS

  • Point-to-Point / Multi-Point Radios
  • VSAT Radio
  • Fiber Optic
  • Space & Military

ADH361S
Space SMT MMIC Divide-By-2, DC to 12 GHz
ADH361S Functional Block Diagram
Add to myAnalog

Add product to the Products section of myAnalog (to receive notifications), to an existing project or to a new project.

Create New Project
Ask a Question

Documentation

Learn More
Add to myAnalog

Add media to the Resources section of myAnalog, to an existing project or to a new project.

Create New Project

Software Resources

Can't find the software or driver you need?

Request a Driver/Software

Latest Discussions

No discussions on ADH361S yet. Have something to say?

Start a Discussion on EngineerZone®

Recently Viewed