ADH232S

PRODUCTION

High Isolation SPDT Switch

Viewing:

Overview

ADH232S (Die)
  • Frequency of Operation: DC to 15 GHz
  • Isolation
    • 57 dB @ 3 GHz
    • 50 GHz @ 6 GHz
  • Input P1dB: +30 dBm
  • Insertion Loss: 1.5 dB Typ. @ 6 GHz
  • Screened in accordance with MIL-PRF-38534, Class K
ADH232S (G8 Package)
  • Frequency of Operation: DC to 6 GHz
  • Isolation
    • 48 dB @ 2 GHz
    • 34 dB @ 6 GHz
  • Insertion Loss: 1.5 dB @ 4 GHz Typ.
  • Non-Reflective Design
  • 8-Lead Hermetic SMT Package
  • Screened in accordance with MIL-PRF-38535, Class Level S 

ADH232S (Die)

The ADH232S is a broadband high isolation non-reflective GaAs MESFET SPDT switch supplied in die form with Class K element evaluation. Covering DC to 15 GHz, the switch features >57dB isolation up to 3 GHz and >45 dB isolation up to 15 GHz. Input P1dB compression is +30 dBm typical, while input IP3 is +48 dBm. The switch operates using complementary negative control voltage logic lines of -5/0V and requires no bias supply.

ADH232S (G8 Package)

The ADH232S is a broadband high isolation non-reflective GaAs MESFET SPDT switch in a 8-Lead hermetic surface mount package. Covering DC to 6 GHz, the switch features >48 dB isolation up to 2 GHz and >34 dB isolation up to 6 GHz. The switch operates using complementary negative control voltage logic lines of -5/0V and requires no bias supply.

Applications

  • Test Instrumentation
  • Military & Space

ADH232S
High Isolation SPDT Switch
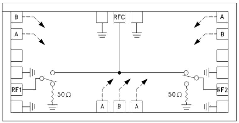
HMC8267G8 SID ADH232S Functional Block Diagram
Add to myAnalog

Add product to the Products section of myAnalog (to receive notifications), to an existing project or to a new project.

Create New Project
Ask a Question

Documentation

Learn More
Add to myAnalog

Add media to the Resources section of myAnalog, to an existing project or to a new project.

Create New Project

Software Resources

Can't find the software or driver you need?

Request a Driver/Software

Latest Discussions

No discussions on ADH232S yet. Have something to say?

Start a Discussion on EngineerZone®

Recently Viewed