ADE1202

RECOMMENDED FOR NEW DESIGNS

Dual Channel, Configurable, Isolated Digital Input

Viewing:

Overview

  • Dual channel, configurable, isolated digital input
  • Programmable trip threshold
  • On-chip debounce filter
  • On-chip data and power Isolation
  • Application circuit monitors wide voltage range
    • 10 V dc to 300 V dc
    • 8 V rms to 240 V rms ac (with 10 ms + pickup)
    • Negative dc protected
  • Programmable wetting current
    • Pulse up to 50 mA
    • Constant current up to 6.3 mA
  • Safety and regulatory approvals
    • UL recognition
      • 3750 V rms for 1 minute per UL 1577
    • CSA Component Acceptance Notice #5A (pending)
      • CSA 61010-1: 300 V rms
    • VDE certificate of conformity (pending)
      • DIN V VDE V 0884-11 (VDE V 0884-11):2017-1
      • VIORM = 565 V peak
  • EMC robust solution supports relay protection system level requirements
  • ADC samples available for system diagnostics
  • Internal SAR ADC with PGA
  • Single 3.3 V Supply
    • Integrated isoPower, isolated dc-to-dc converter
  • Interfaces
    • SPI
    • DOUTx output reflects state of digital input
    • IRQ interrupt pin
  • Operating temperature: −40°C to +125°C
  • 20-lead, LGA package with 6.8 mm creepage

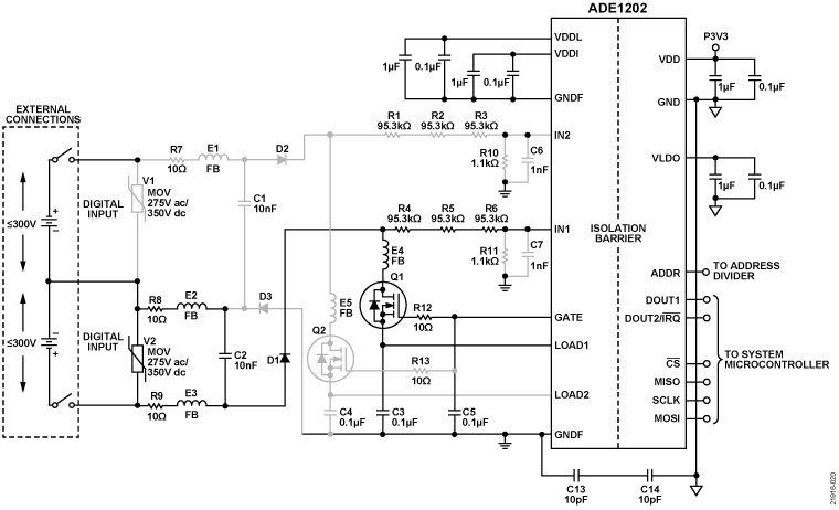
The ADE12021 is a dual channel, configurable, isolated digital input monitoring solution for energy transmission and distribution applications. The ADE1202 is configured through the serial port interface (SPI) to perform an isolated measurement of the digital input that is also called binary input or contact input. The ADE1202 digital output signal on the DOUTx pins reflects the state of the input signal after user configurable signal conditioning. The SPI protocol supports addressing to allow up to eight devices sharing one 4-wire SPI port.

The ADE1202 application circuit accepts a wide range of input voltages from 10 V dc to 300 V, or 8 V rms to 240 V rms. The programmable wetting current and robust application circuit enable the device to meet stringent, system level electromagnetic capability (EMC) requirements.

The ADE1202 includes an isoPower® integrated, isolated dc-to-dc converter that eliminates the need for an external isolated power supply. The iCoupler® chip scale transformer technology is used to isolate the logic signals between the high voltage, isolated side and the low voltage, nonisolated side of the digital input monitor. This technology creates a small form factor design that includes data and power isolation.

An integrated successive approximation register (SAR) analog-to-digital converter (ADC) and a programmable gain amplifier (PGA) from 1× to 10× measure the analog inputs. The ADC waveforms are available through the SPI port to allow system level diagnostics.

Note that throughout this data sheet, multifunction pins, such as DOUT2/IRQ, are referred to either by the entire pin name or by a single function of the pin, for example, DOUT2, when only that function is relevant.

Product Highlights

  1. Dual channel, configurable, isolated digital input.
  2. Single hardware design supports 24 V to 300 V systems.
  3. Robust architecture.
  4. Enables system level diagnostics.

 

Applications

  • Energy transmission and distribution
    • Multifunction relay protection
    • Substation battery monitoring
    • Bay or substation interlocking
    • Merge unit
    • Circuit breaker status indication
    • Remote terminal unit
  • Building automation

1 Protected by U.S. Patent Number 2017/0250043. Other patents pending.

ADE1202
Dual Channel, Configurable, Isolated Digital Input
ADE1202 Functional Block Diagram ADE1202 Pin Configuration ADE1202 Circuit Diagram
Add to myAnalog

Add product to the Products section of myAnalog (to receive notifications), to an existing project or to a new project.

Create New Project
Ask a Question

Documentation

Learn More
Add to myAnalog

Add media to the Resources section of myAnalog, to an existing project or to a new project.

Create New Project

Software Resources


Tools & Simulations


Evaluation Kits

eval board
EVAL-ADE1202EBZ

EVAL-ADE1202EBZ User Guide

Features and Benefits

  • Full featured evaluation board for the ADE1202
  • PC control in conjunction with the EVAL-SDP-CB1Z system demonstration platform (SDP)
  • PC software for control and data analysis
  • Standalone capability

Product Details

The EVAL-ADE1202EBZ is a full featured evaluation board, designed to allow the user to easily evaluate the ADE1202 dual-channel, configurable, isolated digital binary input IC performance in a context similar to a real binary input interface application. The evaluation kit requires purchasing the controller board for the system demonstration platform (EVAL-SDP-CB1Z). The evaluation kit includes evaluation software, written in LabVIEW®, which provides access to the registers and features of the device through a PC interface.

Consult the ADE1202 data sheet in conjunction with this user guide when using the EVAL-ADE1202EBZ.

EVAL-ADE1202EBZ
EVAL-ADE1202EBZ User Guide
EVAL-ADE1202EBZ EVAL-ADE1202EBZ EVAL-ADE1202EBZ

Latest Discussions

Recently Viewed