ADBMS6948

RECOMMENDED FOR NEW DESIGNS

16-Channel, Battery Pack Monitoring System

Viewing:

Overview

  • Cell voltage measurement
    • Up to 16-cell channels
    • Parallel and redundant architecture
    • Passive cell balancing up to 300 mA per cell
    • <3 mV total measurement error (TME) at 4.2 V over the lifetime
  • Pack current measurement
    • Independent bidirectional channels with redundancy
    • Dedicated charge measurement/coulomb counter
    • Dynamic range: ±131 mV
    • Resolution: 1 µV/bit
    • Offset: 1 µV over the lifetime
    • Gain Error: 0.1% over the lifetime
  • Synchronous pack current and cell voltage measurements
  • Short/Over current detection
    • <2 µs response time
    • Programmable detection time and threshold
    • Dedicated outputs for MOSFET/Contactor control
    • Redundant measurement, algorithm, and fault pin
  • 10 General-purpose 1/0 (GPIO) channels
    • Cell and board temperature measurements
    • Pack, load, and system diagnostic measurements
    • <3.3 mV TME over the lifetime
  • Low power monitoring for key-off state
    • Dedicated fault output pin
    • Configurable overshoot, undershoot, and time gradient thresholds
    • Cell voltage, pack current, and GPIO voltage measurement
    • Configurable measurable period
    • Independent continuous time overcurrent protection
  • 4-Wire SPI 4 MHz communication interface
  • Package 64-pin QFN-SS
  • AEC-Q100 qualified

The ADBMS6948 is a multi-cell battery monitor with the industry's first parallel measurement architecture, which measures up to 16 series-connected battery cells with a TME of less than 3 mV over the full temperature range and lifetime. The parallel measurement architecture ensures the lowest external component cost in its category. It is the industry's only battery management system with redundancy on voltage, current, temperature, and overcurrent detection. The cell voltage measurement input range of -2.0 V to 5.5 V makes ADBMS6948 suitable for most battery chemistries and allows the measurement of voltages across bus bars. All 16-cells can be measured simultaneously and redundantly with two individual analog-to-digital converters (ADCs), C-ADC and S-ADC, respectively. The ADCs have a sampling rate of 4.096 MHz and a conversion time of up to 1 ms. Higher noise reduction can be achieved by subsequent programmable digital IIR filters.

The ADBMS6948 also provides the best-in-class integrated bidirectional current measurement capability. It measures the current flowing in and out of the battery module by measuring the voltage drop over an external sense resistor with an input offset voltage of 1 µV and 0.1% gain error over a lifetime. The additional current channel ADC can be synchronized with the cell voltage measurements. This combination of parallel, synchronous, and precise voltage and current measurement provides the ability to achieve an accurate state of charge (SOC), state of power (SOP), and state of health (SOH) estimation at the microcontroller unit (MCU). The ADBMS6948 also provides an integrated coulomb counter, which can be used to offload MCU overheads for precise SOC estimation.

The ADBMS6948 also provides the only Li-ion cell monitor with an integrated overcurrent (OC) detection feature with a less than 2µs overcurrent response time. The dedicated overcurrent pins can be used to connect to an external switch driver to control the switch in the system. The dedicated OC pins with less than 2µs reaction time in ADBMS6948 allow lower rating components for protection devices on the power distribution unit. The ADBMS6948 OC detection algorithm takes into account the limitation of the traditional comparator-based OC detection which cannot detect OC events under short time period glitches and gives false detection under high load conditions. The ADBMS6948 OC detection algorithms work in the energy domain. The algorithm uses the measured current value to determine the heat generated in the MOSFET. Using additional thermal model parameters, the algorithm estimates the temperature rise of the FETs to determine the OC condition.

The ADBMS6948 also provides a low power monitoring (LPM) feature that can be used to prevent thermal runaway conditions even when the MCU is in the sleep state. The ADBMS6948 not only measures the cell voltage, cell temperature, and pack current in this mode, but also monitors the rate of change of each cell voltage (dV/dt), the rate of change of temperature of each connected battery temperate (dT/dt), and the rate of change of pack current (dI/dt) therefore provides an early detection of any thermal runaway parameters. The ADBMS6948 generates an interrupt on the dedicated FAULTB pin when any of the preprogrammed over or under thresholds on either cell voltage, cell temperature, or delta measurements are violated.

The ADBMS6948 also has additional analog voltage channels that can be used to measure temperature through external NTC, perform DC-link voltage, and switch/FET diagnostic measurements. The ADBMS6948 provides a serial-peripheral interface (SPI), with a maximum operating frequency of 4MHz for configuration, measurement trigger, and readback. The ADBMS6948 can be powered directly from the battery stack or from an isolated supply. It includes passive balancing with individual pulse-width modulation (PWM) duty-cycle control, and up to 300mA discharge current for each non-consecutive cell. Other features include an onboard 5V regulator and a sleep mode where current consumption is reduced to 4µA.

APPLICATIONS

  • Mild hybrid electric vehicles
  • Two-wheeler and three-wheeler electric vehicles
  • Four-wheeler electric vehicle auxiliary battery
  • Backup battery systems
  • Energy storage systems (ESS)

ADBMS6948
16-Channel, Battery Pack Monitoring System
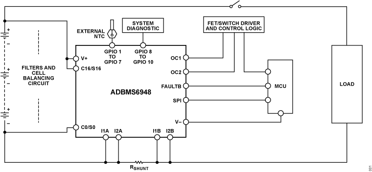
ADBMS6948 Application Circuit ADBMS6948 Pin Configuration
Add to myAnalog

Add product to the Products section of myAnalog (to receive notifications), to an existing project or to a new project.

Create New Project
Ask a Question

Documentation

Data Sheet 1

Request an NDA

Complete documentation is available upon completion of a Non-Disclosure Agreement (NDA).

Request an NDA
Learn More
Add to myAnalog

Add media to the Resources section of myAnalog, to an existing project or to a new project.

Create New Project

Software Resources

Can't find the software or driver you need?

Request a Driver/Software

Latest Discussions

Recently Viewed