ADAU1373
ObsoleteLow Power Codec with Speaker and Headphone Amplifier
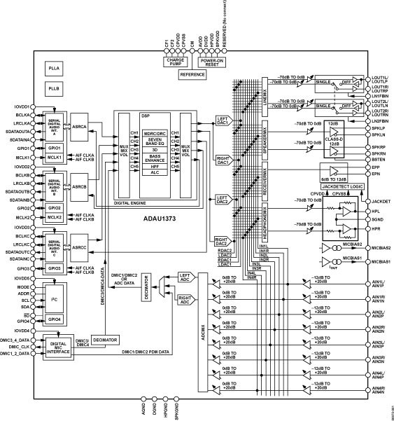
Overview
- 1 stereo ADC and 2 stereo DACs with sampling rates from 8 kHz to 48 kHz
- Low power: 7 mW record, 6 mW playback, 48 kHz at 1.8 V
- 8 single-ended or 4 differential inputs with PGA
- 2 microphone bias reference voltages with current sense
- 2 stereo digital microphone inputs
- Flexible analog input/output mixers
- 1 stereo differential or 2 stereo single-ended line outputs
- True ground-centered stereo Class-G headphone amplifier, capable of 2 × 50 mW into 16 Ω at 1.8 V, 10% THD
- Filterless stereo Class-D speaker amplifier, capable of 2 × 880 mW into 8 Ω at 3.6 V, 10% THD
- Differential earpiece amplifier capable of driving 32 Ω
- 2 PLLs, supporting input clocks from 8 kHz to 27 MHz
- See data sheet for additional features
The ADAU1373 is a low power, stereo audio codec with integrated digital audio processing that supports stereo 48 kHz record and playback. The stereo audio ADCs and DACs support sampling rates from 8 kHz to 48 kHz, as well as a digital volume control.
Eight single-ended or four differential analog inputs with PGAs are provided for adjusting the gain from −12 dB to +18 dB. They can be configured for microphones or line level signals.
Two stereo digital microphone inputs are supported; four digital microphones can be connected in total. In addition, three serial digital audio input/output ports are provided with asynchronous sample rate converters (ASRCs) to support various sampling rates, allowing for flexible system design in mobile phone applications. The inputs can be mixed and selected before the ADC or con-figured to bypass the ADC. Two stereo DACs are included, with a flexible mixing option for routing the signals internally.
The analog output side consists of line outputs, headphone output, speaker output, and receiver output. Two stereo single-ended line level outputs, which can be configured as two differential outputs, are included. The headphone output is stereo true ground centered (eliminating the need for coupling capacitors), with efficient Class-G (rail switching) architecture. The efficient stereo filterless Class-D switching amplifier provides ~1 W of stereo power for speakers. The differential receiver amplifier can be used to connect the separate receiver speaker. Two PLL blocks, which can lock to the inputs from 8 kHz to 27 MHz, are included.
The DSP allows system designers to compensate for the real-world limitations of microphones, speakers, amplifiers, and listening environments, resulting in a dramatic improvement in perceived audio quality through equalization, multiband compression, and limiting algorithms. The SigmaStudio™ graphical development tool, which includes audio processing blocks such as filters, mixers, dynamics processors, and amplifiers for fast development of custom signal flows, is used to program the ADAU1373.
APPLICATIONS
- Mobile phones
- tablet PCs
- e-books
- portable media players
Documentation
Data Sheet 1
User Guide 1
Device Drivers 1
This is the most up-to-date revision of the Data Sheet.
Software Resources
Device Drivers 1
SigmaStudio®
Graphical development tool for programming, development, and tuning software for ADI DSP audio processors and A2B® transceivers.
View DetailsEvaluation Software 0
Can't find the software or driver you need?
Hardware Ecosystem
| Parts | Product Life Cycle | Description | 
|---|---|---|
| Audio Amplifiers 6 | ||
| ADMP421 | Obsolete | iMEMS® Microphone Omni Directional Microphone with Bottom Port and Digital Output | 
| ADMP521 | Obsolete | Ultra-Low Noise Microphone with Bottom Port and PDM Digital Output | 
| ADMP401 | Obsolete | Omnidirectional Microphone with Bottom Port and Analog Output | 
| ADMP404 | Obsolete | Omnidirectional Microphone with Bottom Port and Analog Output | 
| ADMP405 | Obsolete | Omnidirectional Microphone with Bottom Port and Analog Output | 
| ADMP504 | Obsolete | UltraLow Noise Microphone with Bottom Port and Analog Output | 
