ADATE205

Obsolete

250 MHz Dual DCL

Viewing:

Overview

  • Driver, comparator, and active load with inhibit function
  • 250 MHz toggle rate
  • Dynamic clamps
  • Operating voltage range: −1.5 V to +6.5 V
  • Output voltage swing: 200 mV to 8 V
  • Four range adjustable slew rate
  • True/complement data mode bit
  • See Data Sheet for Additional Information

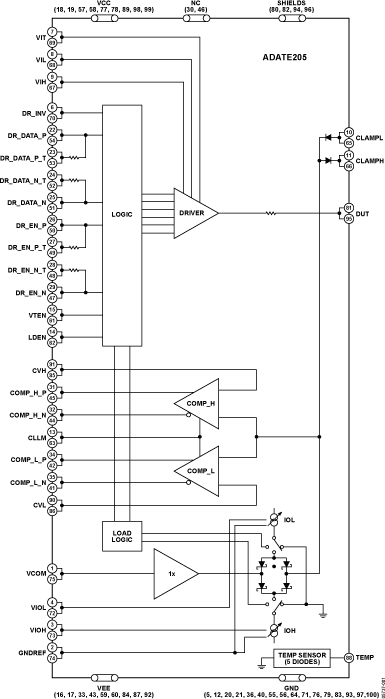
The ADATE205 is a complete, single-chip solution that performs the pin electronics functions of driver, comparator, and active load (DCL) for ATE applications. The active load can be powered down if not used.

The driver is a proprietary design that features three active modes: data high mode, data low mode, and term mode, as well as an inhibit state.

The driver has low leakage (<10 nA) in High-Z mode. The output voltage range is −1.5 V to +6.5 V to accommodate a wide variety of test devices.

The ADATE205 supports four programmable Tr/Tf times for applications where slower edge rates are required. The edge rate selection is done via two static digital CMOS select bits. The input data to the driver can be inverted using a single CMOS logic bit. This feature can be used for system calibration or applications where complement input data is needed.

Applications
  • Automatic test equipment
  • Semiconductor test systems
  • Board test systems
  • Instrumentation and characterization equipment

ADATE205
250 MHz Dual DCL
381138108ADATE205-fbl ADATE205-fbl
Add to myAnalog

Add product to the Products section of myAnalog (to receive notifications), to an existing project or to a new project.

Create New Project
Ask a Question

Documentation

Obsolete Data Sheet 1

Learn More
Add to myAnalog

Add media to the Resources section of myAnalog, to an existing project or to a new project.

Create New Project

Hardware Ecosystem

Parts Product Life Cycle Description
ADATE318 RECOMMENDED FOR NEW DESIGNS 600 MHz Dual Integrated DCL with PPMU, VHH Drive Capability, Level Setting DACs, and On-Chip Calibration Engine
ADATE302-02 PRODUCTION 500 MHz Dual Integrated DCL with Differential Drive/Receive, Level Setting DACs, and Per Pin PMU
Modal heading
Add to myAnalog

Add product to the Products section of myAnalog (to receive notifications), to an existing project or to a new project.

Create New Project

Latest Discussions

No discussions on ADATE205 yet. Have something to say?

Start a Discussion on EngineerZone®

Recently Viewed