AD9516-0

RECOMMENDED FOR NEW DESIGNS

14-Output Clock Generator with Integrated 2.8 GHz VCO

Viewing:

Overview

  • Low phase noise, phase-locked loop (PLL)
    On-chip VCO tunes from 2.55 GHz to 2.95 GHz
    External VCO/VCXO to 2.4 GHz optional
    1 differential or 2 single-ended reference inputs
  • 6 pairs of 1.6 GHz LVPECL outputs
    Each output pair shares a 1-to-32 divider with coarse phase delay
    Additive output jitter: 225 fs rms
    Channel-to-channel skew paired outputs of <10 ps
  • 4 pairs of 800 MHz LVDS clock outputs
    Each output pair shares two cascaded 1-to-32 dividers with coarse phase delay
    Additive output jitter: 275 fs rms
  • Automatic synchronization of all outputs on power-up
  • Manual output synchronization available
  • 64-lead LFCSP
  • See datasheet for additional features

The AD9516-0 provides a multi-output clock distribution function with subpicosecond jitter performance, along with an on-chip PLL and VCO. The on-chip VCO tunes from 2.55 GHz to 2.95 GHz. Optionally, an external VCO/VCXO of up to 2.4 GHz can be used.

The AD9516-0 emphasizes low jitter and phase noise to maximize data converter performance, and it can benefit other applications with demanding phase noise and jitter requirements.

The AD9516-0 features six LVPECL outputs (in three pairs) and four LVDS outputs (in two pairs). Each LVDS output can be reconfigured as two CMOS outputs. The LVPECL outputs operate to 1.6 GHz, the LVDS outputs operate to 800 MHz, and the CMOS outputs operate to 250 MHz.

Each pair of outputs has dividers that allow both the divide ratio and coarse delay (or phase) to be set. The range of division for the LVPECL outputs is 1 to 32. The LVDS/CMOS outputs allow a range of divisions up to a maximum of 1024.

The AD9516-0 is available in a 64-lead LFCSP and can be operated from a single 3.3 V supply. An external VCO, which requires an extended voltage range, can be accommodated by connecting the charge pump supply (VCP) to 5 V. A separate LVPECL power supply can be from 2.5 V to 3.3 V (nominal).

The AD9516-0 is specified for operation over the industrial range of −40°C to +85°C.

APPLICATIONS

  • Low jitter, low phase noise clock distribution
  • 10/40/100 Gb/sec networking line cards, including SONET, Synchronous Ethernet, OTU2/3/4
  • Forward error correction (G.710)
  • Clocking high speed ADCs, DACs, DDSs, DDCs, DUCs, MxFEs
  • High performance wireless transceivers
  • ATE and high performance instrumentation

AD9516-0
14-Output Clock Generator with Integrated 2.8 GHz VCO
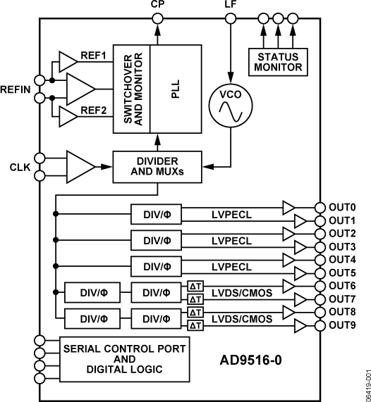
AD9516-0 Functional Block Diagram AD9516-0 Pin Configuration
Add to myAnalog

Add product to the Products section of myAnalog (to receive notifications), to an existing project or to a new project.

Create New Project
Ask a Question

Documentation

Data Sheet 1

User Guide 2

Application Note 13

Technical Articles 6

Evaluation Design File 3

Frequently Asked Question 1

Learn More
Add to myAnalog

Add media to the Resources section of myAnalog, to an existing project or to a new project.

Create New Project

Software Resources


Hardware Ecosystem

Parts Product Life Cycle Description
Comparators 1
LTC6957 Low Phase Noise, Dual Output Buffer/Driver/Logic Converter
Phase-Locked Loop (PLL) Synthesizers 1
ADF4002 RECOMMENDED FOR NEW DESIGNS Phase Detector / PLL Frequency Synthesizer
Modal heading
Add to myAnalog

Add product to the Products section of myAnalog (to receive notifications), to an existing project or to a new project.

Create New Project

Tools & Simulations

ADIsimCLK Design and Evaluation Software

ADIsimCLK is the design tool developed specifically for Analog Devices' range of ultra-low jitter clock distribution and clock generation products. Whether your application is in wireless infrastructure, instrumentation, networking, broadband, ATE or other areas demanding predictable clock performance, ADIsimCLK will enable you to rapidly develop, evaluate and optimize your design.

Open Tool

AD9516 IBIS Models 1


Evaluation Kits

EVAL-AD9516-0

AD9516-0 Evaluation Board

Features and Benefits

  • Simple power connection using 6 V wall adapter and on-board LDO voltage regulators
  • LDOs are easily bypassed for power measurements
  • 8 ac-coupled differential LVPECL SMA connectors
  • 2 ac-coupled LVPECL differential headers
  • 2 dc-coupled differential LVDS SMA connectors that are reconfigurable to four CMOS SMA connectors
  • 2 dc-coupled LVDS differential headers that are reconfigurable to four CMOS connectors
  • SMA connectors for
    • 2 reference inputs
    • Charge pump output
    • Clock distribution input
  • USB connection to PC
  • Microsoft Windows-based evaluation software with simple graphical user interface
  • On-board PLL loop filter
  • Easy access to digital I/O and diagnostic signals via I/O header
  • Status LEDs for diagnostic signals

Product Details

The AD9516-x, AD9517-x, and AD9518-x are very low noise PLL clock synthesizers featuring an integrated VCO, clock dividers, and up to 14 outputs. The AD9516 features automatic holdover and a flexible reference input circuit allowing for very smooth reference clock switching. The AD9516 family also features the necessary provisions for an external VCXO.

The AD9516 evaluation board is a compact, easy-to-use platform for evaluating all features of the AD9516. The user guide covers all six versions of the AD9516 family, as well as the AD9517 and AD9518 families (hereafter referred to as AD951x). The AD9516, AD9517, and AD9518 differ only in package size, and the number of outputs. The evaluation software main window for the AD9517 and AD9518 reflects fewer outputs, but the operation is identical for all devices.

Although the Quick Start Guide to the AD9516 PLL section applies specifically to the AD9516-3, increasing the N (feed-back) divider and channel divider increases the VCO frequency to the allowable frequency range of other AD9516 versions.

For the AD9516-5, which lacks an internal VCO, certain portions of this document that apply to the internal VCO (such as VCO calibration) can be ignored.

Applications

  • Clocking of analog-to-digital and digital-to-analog converters up to 2.9 GHz
  • Networking and communications line cards
  • Test and measurement equipment
  • Wireless base stations, controllers
  • Clock cleanup/jitter attenuation
  • Clock distribution

Resources

Software

EVAL-AD9516-0
AD9516-0 Evaluation Board

Latest Discussions

No discussions on AD9516-0 yet. Have something to say?

Start a Discussion on EngineerZone®

Recently Viewed