Two engineers working in the lab

Save time and deliver your solutions faster with ADI’s new suite of precision technology signal chains. Align your applications ranging from Smart Industry to Instrumentation, Electrification to Digital Health, to exactly the right precision technology combinations.

Tailor your signal chain with confidence

AD8141

RECOMMENDED FOR NEW DESIGNS

Low Cost, Triple Differential Drivers for Wideband Video

Viewing:

Overview

  • Triple, high speed differential drivers 
    • 255 MHz, −3 dB large signal bandwidth 
    • 65 MHz, 0.1 dB flatness
    • 1150 V/μs slew rate 
    • 12 ns settling time
  • Single 5 V or split supply operation
  • Fixed gain of 2 
  • Internal common-mode feedback network 
    • Output balance error −50 dB at 50 MHz 
  • AD8142 has integrated sync-on-common-mode circuitry
  • High-Z output when disabled 
  • Differential-to-differential or single-ended-to-differential operation 
  • High isolation between amplifiers: −100 dB at 10 MHz 
  • Low power: 44 mA at 5 V 
  • Available in space-saving packaging: 4 mm × 4 mm LFCSP

The AD8141 and AD8142 are triple, low cost, differential or single-ended-input-to-differential-output drivers. Each amplifier has a fixed gain of 2 to compensate for the attenuation of the line termination resistors. The AD8141 and AD8142 are specifically designed for RGB signals but can be used for any type of signals. The amplifiers have very fast slew rate and settling time while being manufactured on a cost effective CMOS process. They are optimized for high resolution video performance with a 0.1 dB flatness of 65 MHz, which allows driving high resolution video over any type of UTP cable.

The drivers have an internal common-mode feedback loop that provides output amplitude and phase matching, achieving −50 dB balance error at 50 MHz and thereby suppressing even-order harmonics and minimizing radiated electromagnetic interference (EMI).

The AD8142 includes a unique sync-on-common-mode feature that allows the user to transmit balanced horizontal and vertical video sync signals over the three common-mode channels. Additionally, the AD8141 and AD8142 both have a disable feature that, when asserted, produces high-Z outputs, allowing line isolation and easy multiplexing.

The AD8141 and AD8142 are available in a 24-lead 4 mm × 4 mm LFCSP and operate over a temperature range of −40°C to +85°C. They can be used with the AD8145 triple differential-to-single-ended receiver, AD8123 triple equalizer, AD8120 triple delay line, and the AD8117 or AD8175 crosspoint switches to produce a high resolution video distribution system.

Applications

  • Keyboard-video-mouse (KVM) networking
  • Video distribution 
  • Digital signage
  • Security cameras

AD8141
Low Cost, Triple Differential Drivers for Wideband Video
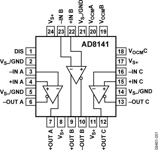
AD8141-fbl AD8141 Pin Configuration
Add to myAnalog

Add product to the Products section of myAnalog (to receive notifications), to an existing project or to a new project.

Create New Project
Ask a Question

Documentation

Learn More
Add to myAnalog

Add media to the Resources section of myAnalog, to an existing project or to a new project.

Create New Project

Software Resources

Can't find the software or driver you need?

Request a Driver/Software

Latest Discussions

Recently Viewed