AD7839
PRODUCTIONOctal 13-Bit, Parallel Input, Voltage-Output D/A Converter
- Part Models
- 2
- 1ku List Price
- Starting From $53.86
Overview
- Reference Range of ±5 V
Maximum Output Voltage Range of ±10 V
Clear Function to User-Defined Voltage
44-Lead MQFP Package
- Eight 13-Bit DACs in One Package
Voltage Outputs
Offset Adjust for Each DAC Pair
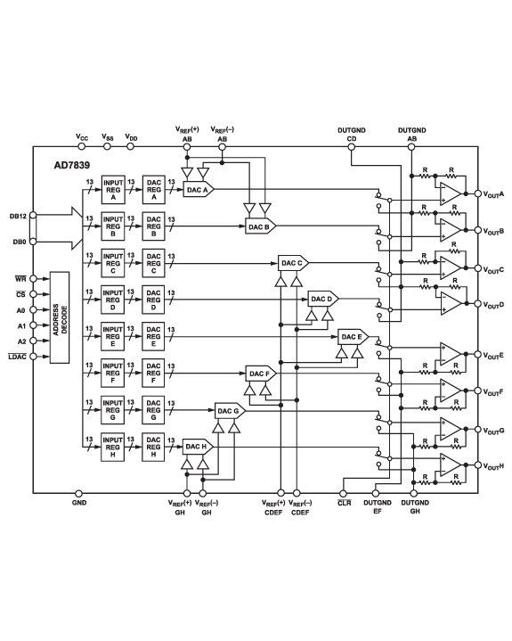
The AD7839 contains eight 13-bit DACs on one monolithic chip. It has output voltages with a full-scale range of ±10 V from reference voltages of ±5 V.
The AD7839 accepts 13-bit parallel loaded data from the external bus into one of the input registers under the control of the WR, CS and DAC channel address pins, A0–A2.
The DAC outputs are updated on reception of new data into the DAC registers. All the outputs may be updated simultaneously by taking the LDAC input low.
Each DAC output is buffered with a gain-of-two amplifier into which an external DAC offset voltage can be inserted via the DUTGNDx pins.
The AD7839 is available in a 44-lead MQFP package.
Documentation
Data Sheet 1
Product Highlight 1
Solutions Bulletin & Brochure 1
Product Highlight 1
ADI has always placed the highest emphasis on delivering products that meet the maximum levels of quality and reliability. We achieve this by incorporating quality and reliability checks in every scope of product and process design, and in the manufacturing process as well. "Zero defects" for shipped products is always our goal. View our quality and reliability program and certifications for more information.
| Part Model | Pin/Package Drawing | Documentation | CAD Symbols, Footprints, and 3D Models |
|---|---|---|---|
| AD7839ASZ | 44-Lead MQFP (13.9mm x 10mm) | ||
| AD7839ASZ-REEL | 44-Lead MQFP (13.9mm x 10mm) |
| Part Models | Product Lifecycle | PCN |
|---|---|---|
|
Oct 18, 2016 - 16_0034 Assembly Relocation of Select LQFP,LQFP_EP,MQFP,TQFP,TQFP_EP Products to Stats ChipPAC China Jiangyin |
||
| AD7839ASZ | PRODUCTION | |
| AD7839ASZ-REEL | PRODUCTION | |
|
Aug 19, 2009 - 07_0024 Package Material Changes for SOT23, MiniSO, MQFP, PDIP, PLCC, SOIC (narrow and wide body), SSOP, TSSOP and TSSOP exposed pad |
||
| AD7839ASZ | PRODUCTION | |
| AD7839ASZ-REEL | PRODUCTION | |
|
Jan 5, 2009 - 07_0077 Certification of STATSChipPAC Shanghai, China and AMKOR Philippines as additional sources for Assembly & Test of QFP Packages |
||
| AD7839ASZ | PRODUCTION | |
| AD7839ASZ-REEL | PRODUCTION | |
This is the most up-to-date revision of the Data Sheet.