AD5384
PRODUCTION40-Channel, 3 V/5 V Single-Supply, Serial 14-Bit denseDAC®
- Part Models
- 1
- 1ku List Price
- Starting From $51.47
Overview
- Guaranteed Monotonic
- Relative Accuracy (INL): ±4 LSB max
- On-chip 1.25 V/2.5 V, 10 ppm/°C reference
- Temperature range: −40°C to +85°C
- Package Type: 100-ball CSP_BGA
- Serial SPI-/QSPI™/MICROWIRE®/DSP-compatible, featuring Data Readback Mode
- I2C Compatible Serial Interface
- Integrated Channel Monitor Function
- Simultaneous output update via LDAC
- Clear function to user programmable code
- Amplifier boost mode to optimize slew rate
- User Programmable Offset and Gain Adjust
- Toggle Mode: Enables square wave generation
- Thermal monitor
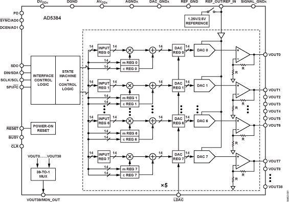
The AD5384 is a complete single-supply, 40-channel, 14-bit digital-to-analog converter (DAC) available in a 100-ball CSP_BGA package. All 40 channels have an on-chip output amplifier with rail-to-rail operation. The AD5384 includes an internal 1.25 V/2.5 V, 10 ppm/°C reference, an on-chip channel monitor function that multiplexes the analog outputs to a common MON_OUT pin for external monitoring, and an output amplifier boost mode that allows the amplifier slew rate to be optimized. The AD5384 contains a serial interface compatible with SPI, QSPI, MICROWIRE, and DSP interface standards with interface speeds in excess of 30 MHz and an I2C-compatible interface supporting 400 kHz data transfer rate. An input register followed by a DAC register provides double buffering, allowing the DAC outputs to be updated independently or simultaneously, using the LDAC input. Each channel has a programmable gain and offset adjust register letting the user fully calibrate any DAC channel. Power consumption is typically 0.25 mA per channel with boost mode off.
APPLICATIONS
- Variable optical attenuators (VOAs)
- Level settings (automatic test equipment{ATE})
- Optical micro-electromechanical systems (MEMS) control systems
- Instrumentation
Documentation
Data Sheet 1
Technical Articles 1
Product Highlight 1
Device Drivers 1
Solutions Bulletin & Brochure 1
Product Highlight 1
ADI has always placed the highest emphasis on delivering products that meet the maximum levels of quality and reliability. We achieve this by incorporating quality and reliability checks in every scope of product and process design, and in the manufacturing process as well. "Zero defects" for shipped products is always our goal. View our quality and reliability program and certifications for more information.
| Part Model | Pin/Package Drawing | Documentation | CAD Symbols, Footprints, and 3D Models |
|---|---|---|---|
| AD5384BBCZ-5 | 100-Ball CSPBGA (10mm x 10mm x 1.35mm) |
| Part Models | Product Lifecycle | PCN |
|---|---|---|
|
Apr 11, 2014 - 14_0106 AD5380/AD5381/AD5382/AD5383/AD5384 Data Sheet Timing Corrections and Power Supply Sequencing Information |
||
| AD5384BBCZ-5 | PRODUCTION | |
|
Oct 14, 2013 - 13_0206 AD5384 Redesign and Wafer Fab Process Change |
||
| AD5384BBCZ-5 | PRODUCTION | |
|
Feb 4, 2013 - 12_0078 Discontinuance of several AD5384 models |
||
| AD5384BBCZ-5 | PRODUCTION | |
This is the most up-to-date revision of the Data Sheet.
Software Resources
Device Drivers 1
Evaluation Software 0
Can't find the software or driver you need?
Tools & Simulations
Precision DAC Error Budget Tool
The Precision DAC Error Budget Tool is a web application that calculates the DC Accuracy of precision DAC signal chains. It shows how the static errors accumulate throughout your signal chain to quickly evaluate the design tradeoffs. Calculations include the DC errors introduced by Voltage References, Operation Amplifiers and Precision DACs.
Open Tool