AD5383
PRODUCTION32-Channel 12-Bit 3 V/5 V Single-Supply Voltage-Output DAC
- Part Models
- 1
- 1ku List Price
- Starting From $53.54
Overview
- Guaranteed Monotonic
- High Accuracy (INL = ±1 LSB)
- On-chip 1.25 V/2.5 V, 10 ppm/°C reference
- Temperature range: –40°C to +85°C
- Rail-to-rail output amplifier
- Power-down mode
- Package type: 100-lead LQFP (14 mm × 14 mm)
- User Interfaces
- Parallel
- Serial (SPI®-/QSPI™-/MICROWIRE™-/DSP-compatible, featuring data readback)
- I2C-compatible - Robust 6.5 kV HBM and 2 kV FICDM ESD rating
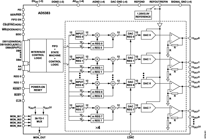
The AD5383 is a complete, single-supply, 32-channel, 12-bit denseDAC® available in a 100-lead LQFP package. All 32 channels have an on-chip output amplifier with rail-to-rail operation. The AD5383 includes a programmable internal 1.25 V/2.5 V, 10 ppm/°C reference; an on-chip channel monitor function that multiplexes the analog outputs to a common MON_OUT pin for external monitoring; and an output amplifier boost mode that allows optimization of the amplifier slew rate. The AD5383 features:
- Double-buffered parallel interface with a 20 ns WR pulse width.
- SPI-/QSPI-/MICROWIRE-/DSP-compatible serial interface with interface speeds in excess of 30 MHz
- I2C-compatible interface that supports a 400 kHz data transfer rate.
An input register followed by a DAC register provides double buffering, allowing the DAC outputs to be updated independently or simultaneously using the LDAC input.
Each channel has a programmable gain and offset adjust register that allows the user to fully calibrate any DAC channel. With boost off, power consumption is typically 0.25 mA/channel.
APPLICATIONS
- Variable optical attenuators (VOA)
- Level setting (ATE)
- Optical microelectro-mechanical systems (MEMS)
- Control systems
- Instrumentation
Documentation
Data Sheet 1
Application Note 4
Technical Articles 1
Product Highlight 1
Evaluation Design File 1
Device Drivers 1
Solutions Bulletin & Brochure 1
Product Highlight 1
ADI has always placed the highest emphasis on delivering products that meet the maximum levels of quality and reliability. We achieve this by incorporating quality and reliability checks in every scope of product and process design, and in the manufacturing process as well. "Zero defects" for shipped products is always our goal. View our quality and reliability program and certifications for more information.
| Part Model | Pin/Package Drawing | Documentation | CAD Symbols, Footprints, and 3D Models |
|---|---|---|---|
| AD5383BSTZ-5 | 100-Lead LQFP (14mm x 14mm) |
| Part Models | Product Lifecycle | PCN |
|---|---|---|
|
Oct 18, 2016 - 16_0034 Assembly Relocation of Select LQFP,LQFP_EP,MQFP,TQFP,TQFP_EP Products to Stats ChipPAC China Jiangyin |
||
| AD5383BSTZ-5 | PRODUCTION | |
|
Apr 11, 2014 - 14_0106 AD5380/AD5381/AD5382/AD5383/AD5384 Data Sheet Timing Corrections and Power Supply Sequencing Information |
||
| AD5383BSTZ-5 | PRODUCTION | |
|
May 11, 2012 - 11_0270 AD5381 and AD5383 Redesign and Fab Process Change |
||
| AD5383BSTZ-5 | PRODUCTION | |
|
May 24, 2010 - 10_0124 AD5382/AD5383 data sheet correction |
||
| AD5383BSTZ-5 | PRODUCTION | |
|
Jan 5, 2009 - 07_0077 Certification of STATSChipPAC Shanghai, China and AMKOR Philippines as additional sources for Assembly & Test of QFP Packages |
||
| AD5383BSTZ-5 | PRODUCTION | |
This is the most up-to-date revision of the Data Sheet.
Software Resources
Device Drivers 1
Evaluation Software 0
Can't find the software or driver you need?
Tools & Simulations
Precision DAC Error Budget Tool
The Precision DAC Error Budget Tool is a web application that calculates the DC Accuracy of precision DAC signal chains. It shows how the static errors accumulate throughout your signal chain to quickly evaluate the design tradeoffs. Calculations include the DC errors introduced by Voltage References, Operation Amplifiers and Precision DACs.
Open Tool