MX7839

Octal, 13-Bit Voltage-Output DAC with Parallel Interface

Viewing:

Overview

  • Full 13-Bit Performance without Adjustments
  • Eight DACs in a Single Package
  • Buffered Voltage Outputs
  • Unipolar or Bipolar Voltage Swing to ±10V
  • 31µs Output Settling Time
  • Small 44-Pin MQFP Package
  • Double-Buffered Digital Inputs
  • Asynchronous Load Updates All DACs Simultaneously
  • Asynchronous active-low CLR Forces All DACs to DUTGND_ _ Potential

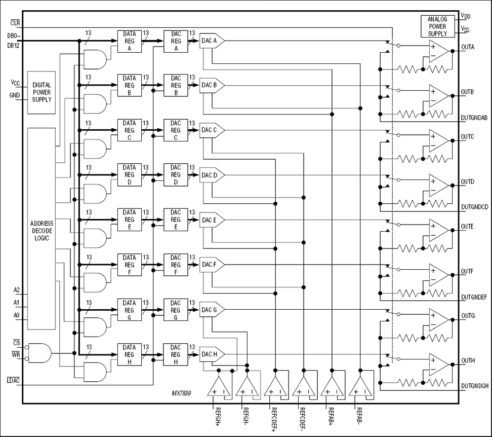
The MX7839 contains eight 13-bit, voltage-output digital-to-analog converters (DACs). On-chip precision output amplifiers provide the voltage outputs. The device operates from ±15V supplies. Its bipolar output voltage swing is ±10V and is achieved with no external components. The MX7839 has three pairs of differential reference inputs; two of these pairs are connected to two DACs each, and a third pair is connected to four DACs. The references are independently controlled, providing different full-scale output voltages to the respective DACs.

The MX7839 features double-buffered interface logic with a 13-bit parallel data bus. Each DAC has an input latch and a DAC latch. Data in the DAC latch sets the output voltage. The eight input latches are addressed with three address lines. Data is loaded to the input latch with a single write instruction. An asynchronous load input (active-low LDAC) transfers data from the input latch to the DAC latch. The active-low LDAC input controls all DACs; therefore, all DACs can be updated simultaneously by asserting active-low LDAC. An asynchronous active-low CLR input sets the output of all eight DACs to the respective DUTGND input of the op amp. Note that active-low CLR is a CMOS input, which is powered by VDD. All other logic inputs are TTL/CMOS compatible. The MX7839 is pin-for-pin compatible with AD7839.

Applications

  • Arbitrary Function Generators
  • Automated Test Equipment (ATE)
  • Avionics Equipment
  • Digital Offset and Gain Adjustments
  • Industrial Process Controls
  • Minimum Component Count Analog Systems
  • SONET Applications

MX7839
Octal, 13-Bit Voltage-Output DAC with Parallel Interface
MX7839: Functional Block Diagram
Add to myAnalog

Add product to the Products section of myAnalog (to receive notifications), to an existing project or to a new project.

Create New Project
Ask a Question

Documentation

Learn More
Add to myAnalog

Add media to the Resources section of myAnalog, to an existing project or to a new project.

Create New Project

Software Resources

Can't find the software or driver you need?

Request a Driver/Software

Hardware Ecosystem

Parts Product Life Cycle Description
Digital to Analog Converters (DACs) 1
MAX5839 Obsolete Octal, 13-Bit Voltage-Output DAC with Parallel Interface
Modal heading
Add to myAnalog

Add product to the Products section of myAnalog (to receive notifications), to an existing project or to a new project.

Create New Project

Latest Discussions

No discussions on MX7839 yet. Have something to say?

Start a Discussion on EngineerZone®

Recently Viewed