MAX20345

RECOMMENDED FOR NEW DESIGNS

PMIC with Ultra-Low IQ Voltage Regulators, Buck-Boost for Optical Sensing and Charger for Small Lithium Ion Systems

Optimized Power Management for 24/7 Monitoring Systems Such as Wearables and IoT

Viewing:

Overview

  • Extend Battery-Use Time Between Charging
    • 3 x Low IQ Buck Regulators (IQ = 0.9μA typ)
      • 220mA Output Current
      • Noise Mitigation by Flexible Adjustment of Switching Frequency
      • Buck1: 0.700V to 1.330V Output Voltage in 10mV Steps
      • Buck2: 0.700V to 2.275V Output Voltage in 25mV Steps
      • Buck3: 0.700V to 3.850V Output Voltage in 50mV Steps
    • LDO1 (IQ = 0.55µA typ)
      • 100mA Output
      • 2.7V to 5.5V Input Voltage Range
      • 0.8V to 3.6V Output Voltage in 100mV Steps
    • LDO2 (IQ = 1µA typ)
      • 100mA Output
      • 1.71V to 5.50V Input Voltage Range
      • 0.9V to 4.0V Output Voltage in 100mV Steps
    • LDO3 (IQ = 1µA typ)
      • 50mA Output
      • 1.00V to 2.00V Input Voltage Range
      • 0.50V to 1.95V Output Voltage in 25mV Steps
    • 2 x Load Switches
      • 0.65V to 5.50V Input Voltage Range
      • 1Ω RON at SYS = 3.0V
    • Low IQ Buck-Boost Regulator (IQ = 2µA typ)
      • 1.5W Output Capability
      • 2.6V to 5.5V Output Voltage in 50mV Steps
  • Easy to Implement Li+ Battery Charging
    • Linear Li-Ion Battery Charger
      • 5mA to 500mA Charge current
      • +28V / -5.5V Tolerant Input
      • Step Charging (See the Step Charging Section)
    • Thermistor Monitor
    • Smart Power Selector
  • Optimize System Control
    • Power On/ Reset Controller
    • Push-Button Monitor
    • Factory Shipping Mode
    • System Interface
      • Monitor Multiplexer with Programmable Divider to Monitor System Voltages and Charging Current

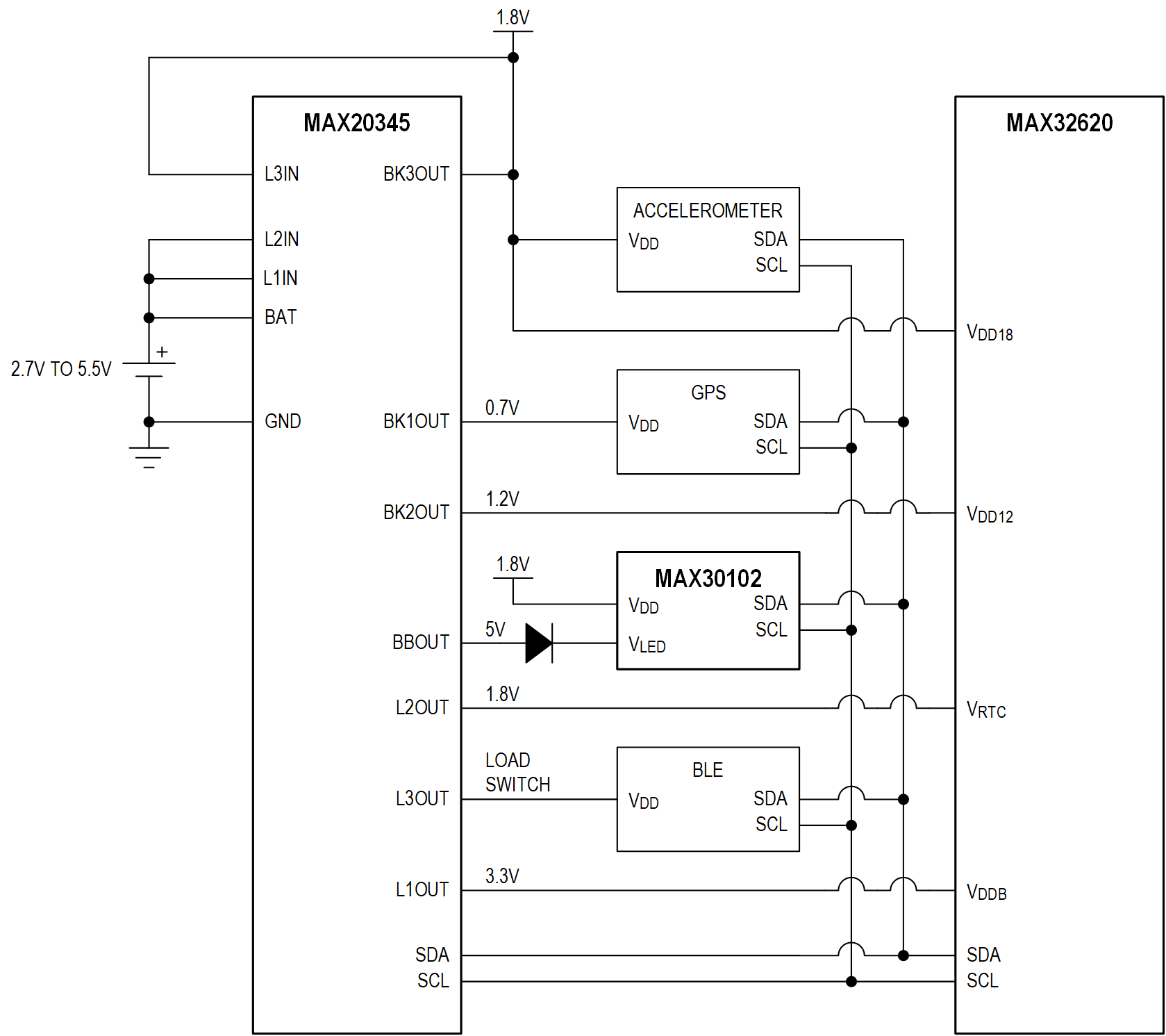
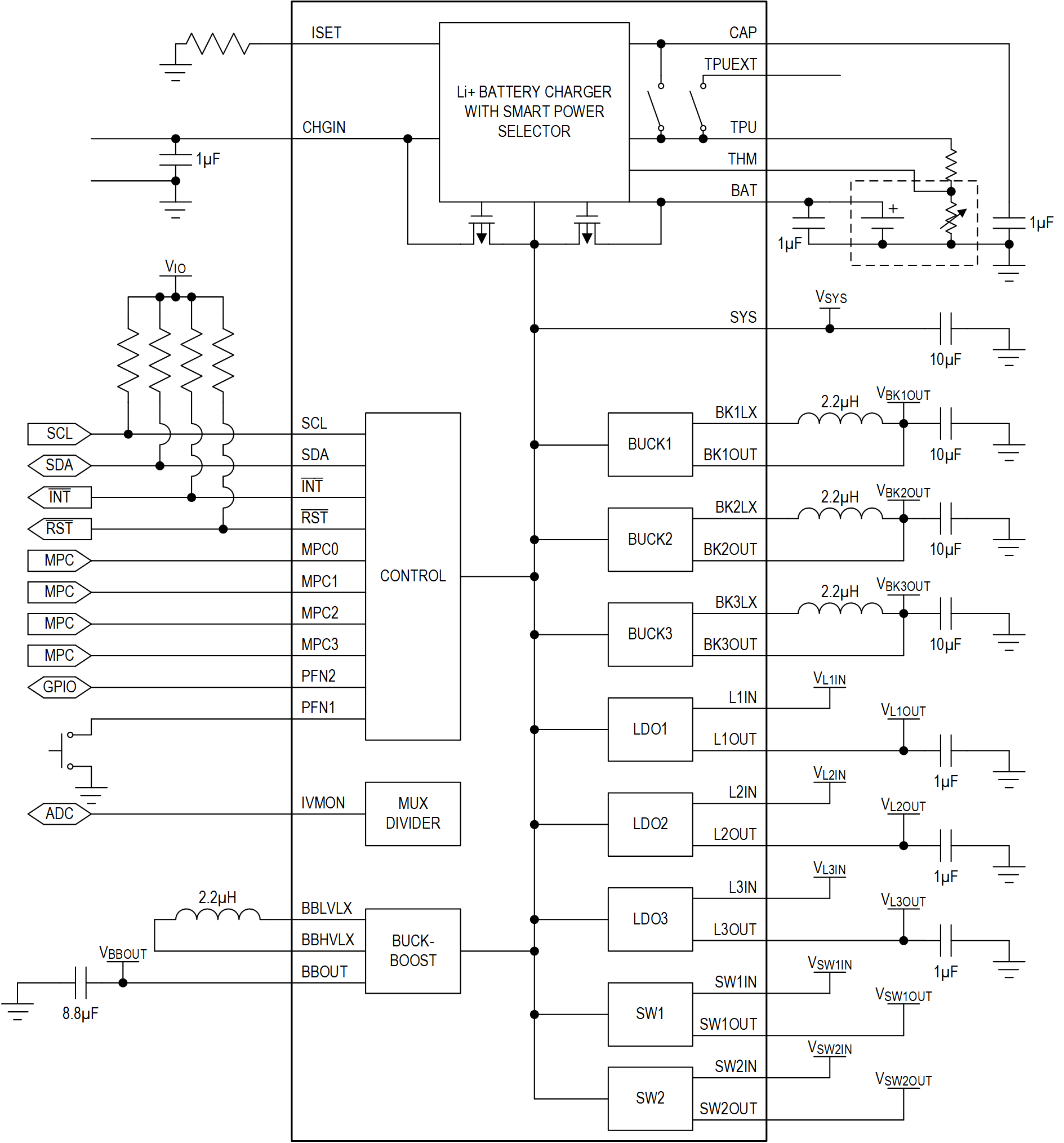
The MAX20345 is a power management solution featuring ultra-low IQ voltage regulators, ideal for low-power wearable applications. The device includes a linear battery charger with a smart power selector and several power-optimized peripherals. The device features three buck regulators, three low-dropout (LDO) linear regulators, and a Buck-Boost regulator, providing up to seven regulated voltages, each with an ultra-low quiescent current. Two load switches allow disconnecting system peripherals to minimize the total quiescent load of the system. MAX20345 allows system designers to minimize power consumption and extend battery life in 24/7 operation devices, such as those in the wearable market.

The three synchronous, high-efficiency buck regulators use a pulse frequency modulated (PFM) control scheme for increased efficiency during light-load operation. The output voltage of these regulators can be programmed through I2C down to voltages as low as 0.7V. Additionally, the buck regulators support dynamic voltage scaling (DVS) allowing the system designer to further improve system power consumption when using devices that can take advantage of DVS.

Each of the three LDO regulators output voltage can be programmed through I2C. For additional flexibility, each LDO can be configured as a load switch that can be used to disconnect the quiescent load of the system peripherals.

The integrated Buck-Boost converter provides a convenient way to power system peripherals that require voltages higher and/or lower than the battery voltage, and is optimized for optical sensing systems such as optical heart rate (OHR)/PPG and SpO2 measurements. The output noise of the Buck-Boost is minimized to provide the least impact possible on sensitive measurements in such systems. The addition of DVS offers further power savings during favorable measurement conditions.

The MAX20345 also features a programmable power controller that allows the device to be configured for applications that require the device be in a true-off, or always-on, state. The controller provides a delayed reset signal and voltage sequencing. The MAX20345 is available in a 56-bump, 0.4mm pitch, 3.37mm x 3.05mm wafer-level package (WLP).

Design Solution: REALLY Smart Wearables Customize Their Power Supply ›

Design Solution: Choose the Proper PMIC to Boost Your Optical Sensor SNR ›

 

Applications

  • IoT
  • Wearable Devices

MAX20345
PMIC with Ultra-Low IQ Voltage Regulators, Buck-Boost for Optical Sensing and Charger for Small Lithium Ion Systems
MAX20345 Functional Diagram MAX20345 Typical AppIication Circuit MAX20345 Pin Configuration
Add to myAnalog

Add product to the Products section of myAnalog (to receive notifications), to an existing project or to a new project.

Create New Project
Ask a Question

Documentation

Learn More
Add to myAnalog

Add media to the Resources section of myAnalog, to an existing project or to a new project.

Create New Project

Software Resources

Can't find the software or driver you need?

Request a Driver/Software

Evaluation Kits

MAX20345EVKIT

Evaluation Kit for the MAX20345

Features and Benefits

  • RoHS Compliant
  • Proven PCB Layout
  • Fully Assembled and Tested
  • I2C Serial Interface

Product Details

The MAX20345 evaluation kit (EV kit) is a fully assembled and tested circuit for evaluating the MAX20345 wearable charge-management solution with I2C compatibility for low-power wearable applications. The device includes a linear battery charger, smart power selector, three ultralow quiescent current buck regulators, a buck-boost regulator, three low-dropout (LDO) linear regulators, two load switches, and five GPIO pins.

Refer to the full MAX20345 IC datasheet for detailed information regarding the operation and features of the devices.

Applications

  • IoT
  • Wearable Devices

eval board
MAX20345EVSYS

Evaluation Kit for the MAX20345

Features and Benefits

  • USB-Power Option
  • Flexible Configuration
  • On-Board Battery Simulation
  • Sense Test Point for Output-Voltage Measurement
  • Windows® 8/Windows 10-Compatible Graphical User Interface (GUI) Software
  • Fully Assembled and Tested

Product Details

The MAX20345 evaluation system (EV system) is a fully assembled and tested circuit board that demonstrates the MAX20345 ultra low-power wearable power management integrated circuit (PMIC).

The MAX20345 is a battery-charge-management solution ideal for low-power wearable applications. The device includes voltage regulators such as bucks, boost, buckboost, and linear regulators, as well as a battery management solution with battery seal, linear battery charger, and smart power path selector.

The MAX20345 EV system comes with the MAX20345_ SYS_EVKIT_B board, the PICO2PMB# board, and two micro-B cables. The EV system has the MAX20345AEWN+ installed. The device is configurable through an I2C interface that allows for programming various functions and reading the device status. The application sends commands to the MAXPICO2PMB USB-to-I2C adapter board to configure the MAX20345.

Applications

  • IoT
  • Wearable Devices

MAX20345EVKIT
Evaluation Kit for the MAX20345
MAX20345EVSYS
Evaluation Kit for the MAX20345
MAX20345EVSYS:Board Photo

Latest Discussions

Recently Viewed